فن کویل یک دستگاه تهویه مطبوع دوفصل است که دارای فن،کویل و فیلتر است.فن کویل در زمستان بواسطه عبور آبگرم موتورخانه از درون کویل آن باد گرم و در زمستان بواسطه عبور آب سرد چیلر از درون کویل آن باد سرد می وزد.کویل های به کار رفته در فن کویل ها معمولا از نوع مسی با فین آلومینیومی است.
>> راهنمای خرید فن کویلفن کویل یک دستگاه تهویه مطبوع دوفصل است که دارای فن،کویل و فیلتر است.فن کویل در زمستان بواسطه عبور آبگرم موتورخانه از درون کویل آن باد گرم و در زمستان بواسطه عبور آب سرد چیلر از درون کویل آن باد سرد می وزد.کویل های به کار رفته در فن کویل ها معمولا از نوع مسی با فین آلومینیومی است.
به منظور تکمیل اطلاعات مشتریان عزیز، توضیحات جامع و تخصصی در ارتباط با خرید محصولات فن کویل در زیر به تفصیل بیان شده است.

فن و موتور فن کویل معمولا توان پائینی دارند و فن وظیفه مکش هوا به داخل دستگاه عبور هوا از روی کویل و هدایت هوا به خارج دستگاه را به عهده دارد.فیلتر در فن کویل به عنوان غبارگر اولیه جهت جلوگیری از ورود گرد و غبار به داخل دستگاه تعبیه می شود.فن کویل در انواع دیواری،زمینی، سقفی توکار، سقفی روکار، کانالی، کاستی یک طرفه، کاستی چهارطرفه تولید می شود.
فن کویل بر اساس ظرفیت هوادهی نامگذاری می شوند.ظرفیت فن کویلها از 200 تا 2000 فوت مکعب بر دقیقه تولید می شوند.برای عملکرد صحیح فن کویل برای هر محیط باید یک فن کویل مجزا انتخاب شود.مثال برای اتاق خوابها،سالن نشیمن و ... باید فن کویلهای مجزا با ترموستات های مجزا نصب شود.
همانطور که پیش تر گفتیم این دستگاه دارای یک کویل آب و یک فن است. زمانی که آب گرم، داخل کویل جریان داشته باشد هوای خروجی از دستگاه گرم و زمانی که آب سرد وارد کویل شود هوای خروجی از دستگاه سرد خواهد بود.
این دستگاه بدون اتصال به لوله کشی آب گرم و آب سرد مانند فن عمل می کند.
این دستگاه در قسمت ورودی هوا دارای فیلتر مشبک است که از ورود گرد و غبار به داخل دستگاه و نشستن روی پروانه فن و کویل جلوگیری می کند.
غبار گرفتن کویل سبب کاهش راندمان دستگاه و غبار گرفتن موتور و پروانه فن سبب آسیب دیدگی فن و سروصدا می شود.
فن کوئل ها دارای الکتروموتور سه دور یا چهار دور هستند که توسط کلید سکتوری و یا به صورت دیجیتالی کنترل میشود که معمولاً از ترموستات محیطی که روی دیوار نصب می شود فرمان می گیرند. روی کنترلر دستگاه، یا همان ترموستات دستگاه امکان انتخاب فصل، انتخاب دور، خاموش و روشن کردن دستگاه و تعیین دمای مورد نظر و در برخی مدلها امکان زمان بندی و... وجود دارد.
انواع فن کویل از نظر ظرفیت هوادهی از ۲۰۰ تا ۲۲۰۰ فوت مکعب بر دقیقه یا همان cfm تولید می شود.
ظرفیت دستگاه بر حسب متر مکعب بر ساعت از ۳۴۰ تا ۳۷۵۰ و بر اساس واحد لیتر بر ثانیه از ظرفیت ۹۴ تا ۱۰۵۰ لیتر بر ثانیه ظرفیت هوادهی میباشد.
در انواع فن کویل کانالی و سقفی توکار در صورتی که طول کانال کشی بیش از حد مجاز باشد و یا دریچه ها استاندارد نباشند ظرفیت هوادهی کاسته میشود.
برای تشخیص جهت دستگاه کافیست روبه روی آن بایستید در این حالت اگر اتصال های لوله کشی در سمت راست دستگاه باشد فن کویل راست می باشد و اگر اتصالات لوله کشی در سمت چپ دستگاه باشد چپ است.
در بسیاری از پروژه ها مسئله جهت فنکویل حیاتی است چرا که بعضاً طراحی به صورتی می باشد که امکان تغییر آن نیست و اگر دستگاه اشتباه خریداری شود قابل استفاده نیست. مانند لوله فن کویل که از کنج دیوار خارج شده است.
پیشنهاد مطالعه: تفاوت یونیت هیتر و فن کویل
فن کویل دیواری شبیه پنل داخلی کولر گازی است که در بسیاری از موارد به جز کارشناسان توانایی تشخیص را ندارند و به اشتباه کولر گازی به نظر میآید.
محلی را روی کف اشغال نمی کند و لوله کشی از کف یا سقف باید به محل نصب برسد. این مدل از ظرفیت ۲۰۰ تا ٨٠٠ cfm تولید می شود که ظرفیت ٨٠٠ آن هزینه کمتری در بازار دارد.
این دستگاه دارای پنل ABS ، کویل مسی ، فن پلیمری و ریموت کنترل است و همچنین نیازی به نصب ترموستات دیواری ندارد.

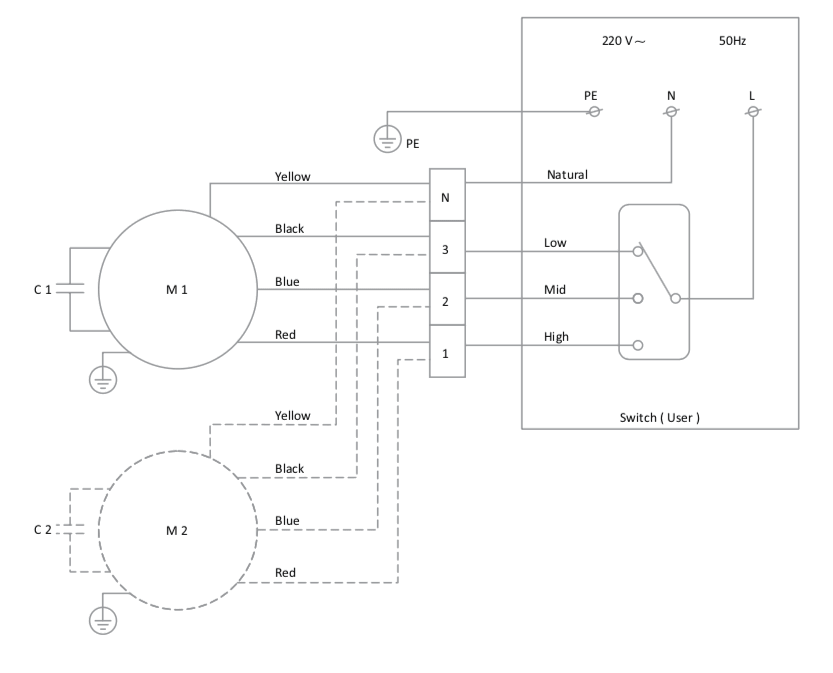
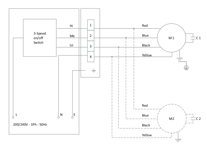
در تصویر زیر می توانید نقشه برق فن کویل دیواری را مشاهده نمایید.

دستگاه فن کویل زمینی در دو نوع زمینی روکار یا ایستاده و توکار تولید میشود. فن کوئل های زمینی روکار در سه نوع بالازن، روبروزن و شیبدار تولید میشوند. رنج ظرفیت این دستگاه از ۲۰۰ تا ۱۲۰۰ cfm است.
این دستگاه به ترموستات نیاز دارد که به صورت دیواری نصب میشود.
برخی مدل های فن کویل ایستاده یا زمینی دارای پنل الکترونیکی و ریموت کنترل هستند که بدون ترموستات نیز عملکرد خوبی دارند.
از معایب این دستگاه میتوان به اشغال فضای زیاد روی زمین اشاره کرد.

در تصویر زیر می توانید با نقشه برق فن کویل زمینی آشنا شوید.

دستگاه فن کویل سقفی در دو مدل سقفی توکار و سقفی روکار تولید می شود که مدل روکار آن به صورت دکوراتیو زیر سقف نصب می شود و به ظاهر نمایان است.
بسیاری از مدل های فن کویل زمینی به صورت سقفی زمینی تولید می شوند که هم قابلیت نصب روی زمین را دارند و هم قابلیت نصب زیر سقف. رنج ظرفیت این مدل از ۲۰۰ تا ١۰۰۰ cfm است.
نصب فن کویل سقفی زیر سقف کاذب انجام میشود و فقط دریچه های آن نمایان است. فن کویل سقفی توکار به صورت فیلتر دار و یا بدون فیلتر تولید می شود. تفاوت نوع فیلتر پلنیوم دار با نوع بدون فیلتر پلنیوم در پشت فن دستگاه است که در مورد بدون فیلتر پلنیوم، حلزونی فن نمایان است و دستگاه فیلتر ندارد.
برخی از دستگاه ها در نوع سقفی توکار با فیلتر پلنیوم، دارای فیلتر زیر دستگاه هستند و برخی دارای فیلتر پشت دستگاه.
این دستگاه در نوع سقفی توکار شکل و ظاهر مناسبی برای نصب در محل قابل رویت ندارد و برای کنترل کارکرد به ترموستات محیطی نیاز دارد.

تصویر زیر نقشه برق فن کویل سقفی را نشان می دهد.

در تصویر زیر نقشه لوله کشی فن کویل سقفی را نشان داده ایم.

در تصویر زیر جزئیات ابعاد فن کویل سقفی را آورده ایم تا با اطمینان خرید نمایید.
فن کویل کاستی به دو صورت کاستی چهار طرفه و کاستی یک طرف تولید میشود. از نوع کاستی چهار طرفه معمولاً در پروژههایی استفاده میشود که چیدمان دستگاه در وسط اتاق است و از نوع کاستی یک طرفه در پروژههایی استفاده می شود که دستگاه، کنار دیوار نصب می شود و هوا را به یک طرف هدایت می کند.
فن کویل های کاستی درون سقف کاذب نصب میشوند و پنل آن روی سقف نمایان است و نیاز به دریچه مجزا و کانال کشی ندارند.
معمولاً فن کوئل های سقفی کاستی برای تخلیه آب های کندانس شده دارای پمپ درین هستند. و برای کنترل کارکرد، دارای ترموستات سر خود و ریموت کنترل هستند. در کل دستگاه فن کویل کاستی به دلیل تجهیزات جانبی بیشتر قیمت بالاتری نسبت به انواع دیگر دارد. برخی از مدل ها و ظرفیت های دستگاه در نوع کاستی قابلیت اتصال به هوای تازه را نیز دارند.

در تصویر زیر می توانید با نقشه برق فن کویل کاستی چهار طرفه آشنا شوید.

در تصویر زیر می توانید با نقشه برق فن کویل کاستی یکطرفه آشنا شوید.

فن کویل کانالی در واقع همانند نوع سقفی توکار است که قدرت هوادهی ، حرارتی و برودتی بالاتری دارد و امکان کانال کشی با طول بالاتر را دارد.
از این دستگاه در لابی، رستوران، آمفی تئاتر، مراکز اداری، خوابگاه ها، دانشگاه ها و ... استفاده می شود.
رنج ظرفیت این دستگاه از ۸۰۰ تا ۲۲۰۰ cfm است.

این دستگاه در همه مدلها و ظرفیتها دارای فیلتر آلومینیومی یا پلیمری است و از تعداد یک یا دو فن تشکیل شده است. فن به کار رفته در این دستگاه معمولاً از نوع فلزی است و اتصال موتور به فن از نوع مستقیم است.

در تصویر زیر می توانید با نقشه برق فن کویل کانالی آشنا شوید.

فن کویل بدون فیلتر پلنیوم در قسمت پشتی دستگاه و محل مکش فن ها هیچ نوع کاوری ندارند و هوا بدون فیلتراسیون وارد فن میشود.

فن کویل دارای فیلتر پلنیوم در قسمت پشتی دستگاه دارای باکس فن و فیلتر است و هوای ورودی پس از عبور از فیلتر وارد فن میشود.

به لحاظ ظاهری با یک نگاه می توان تفاوت فن کویل با فیلتر پلنیوم و فن کویل بدون فیلتر پلنیوم را تشخیص داد در فن کویل بدون فیلتر پلنیوم، حلزونی فن کاملاً پیداست اما در نوع فیلتر پلنیوم دار تمام مجموعه داخل باکس مکعب مستطیل قرار گرفته اند.
توان حرارتی و برودتی و میزان هوادهی در این فن کویل ها تفاوتی ندارد و تنها در مدل فیلتردار افت فشار استاتیک دستگاه به جهت مقاومت فیلتر و دریچه مکش هوا بالاتر است.
انواع فن کویل شامل اجزای زیر می باشد:

فن که وظیفه جابجایی هوا ( مکش هوا از محیط و هوای تازه و هدایت بر روی کویل و خروجی فن کویل ) را داراست از نوع سانتریفوژ فوروارد بصورت مستقیم توسط شفت به موتور محرک متصل می شود. فن دستگاه فن کویل معمولا از نوع فلزی یا پلیمری و سبک ساخته می شود. هر دستگاه بنا به ظرفیت می تواند از یک تا 4 فن داشته باشد.

الکتروموتور در فن کویل معمولا از نوع سه یا چهار دور انتخاب می شوند که بصورت تک و یا دو شفت هستند و بصورت مستقیم به موتور توسط شفت متصل می گردند. کنترل ظرفیت در این دستگاه در اکثر مدل ها توسط فن انجام می پذیرد.


کویل دستگاه فن کویل معمولا از نوع مسی با پوشش فین های آلومینیومی برای تبادل حرارت بیشتر است. در کویل در زمستان آب گرم و در تابستان آب سرد جریان دارد. کویل دستگاه بنا به نوع دستگاه و ظرفیت حرارتی می تواند از نوع دو ردیفه تا 6 ردیفه متفاوت باشد.

فیلتر فن کویل بنا به نوع دستگاه می تواند از نوع آلومینیومی چند لایه یا از نوع پلیمری باشد که در عمل از ورود ذرات معلق و گرد و خاک به داخل فن کویل جلوگیری به عمل می آورد و در محل ورود هوا به دستگاه نصب می گردد.

تشتک وظیفه جمع آوری آب تقطیر شده روی کویل در تابستان را داراست که دارای شیب در قسمت خروجی است که باید توسط شلنگ مخصوص به سیستم درین اصلی متصل شوند. محل نصب تشتک زیر کویل دستگاه است.
کابینت فن کویل از نوع فلزی یا پلیمری است که تمام مجموعه فن – کویل – فیلتر و موتور و... را در بر می گیرند.
فن کویل های روکار معمولا دارای ظاهر دکوراتیو فلزی یا پلیمری هستند که روی بدنه محل های وروردی و خروجی هوا توسط دریجه های ثابت یا تنظیم شونده تعبیه شده است. این مدل دارای رنگ بدنه و ظاهر شکیل می باشند.
دستگاه های توکار حالت دکوراتیو ندارند و در فضای سقف کاذب یا دیوار کاذب نصب می شوند.
بدنه فن کویل ها بدلیل جلوگیری از اتلاف حرارت و کاهش صدا و عدم تقطیر بدنه از داخل یا خارج تماما عایق بندی می شوند.
برخی فن کویل های کاستی و یا فن کویل دیواری از دو قسمت فلزی و پلیمری تشکیل می شوند.
پروانه یا همون بلوور فن کویل از نوع سانتریفیوژ فوروارد دو طرفه هستند که به یک موتور تک شفت یا دو شفت متصل شدهاند. در فن کویل ها معمولاً سایز فن ها طبق ظرفیت تغییری نمیکند بلکه تعداد آنها کم و زیاد میشود.
البته مدل و قطر فن در فنکویل دیواری، زمینی و سقفی یا فنکویل کانالی متفاوت است.
فن کویل دیواری دارای پروانه استوانه ای با قطر کم و طول زیاد است. فن کویل کانالی دارای پروانه های قطور با طول نسبتاً کمتر است.
جنس پروانه فن کویل یا همان بلوور فن کویل از آلومینیوم یا ABS انتخاب میشود.
دلیل انتخاب جنس ABS اولاً وزن سبک و طول عمر شفت موتور است و دوماً صدای ایجاد شده توسط فن ABS کمتر از فن آلومینیومی است.
دلیل انتخاب فن آلومینیومی مقاومت فیزیکی و کیفیت هوادهی به نسبت بلوور فن کویل ABS است.

دریچه زیر فن کویل که به عنوان دریچه بازدید فن کویل از آن استفاده می شود معمولا از نوع آسان بازشو گیره ای و یا دریچه وزنی است که به واسطه وزن دریچه روی فریم خود قرار می گیرد. دریچه بازدید فن کویل دارای ابعاد متفاوت برای ظرفیت های مختلف است. و معمولا از ورق های فلزی نازک تولید می شوند که وزن زیادی را به سقف کاذب تحمیل می کنند.
روی دریچه بازدید فن کویل ها، گریل ها و شیار هایی برای جریان و مکش هوا وجود دارد که باید زیر قسمت مکش هوای فن کویل قرار بگیرند.
ابعاد دریچه فن کویل باید امکان بازدید، تعویض و نظافت فیلتر، هوا گیری، تعویض شیر آلات و شلنگ ها، باز و بست و تعمیر فن کویل را داشته باشد.
ترموستات فن کویل در مدل های آنالوگ و دیجیتال با برندهای ایرانی و خارجی تولید می شوند. مدل های آنالوگ دارای دو مدل سقفی و زمینی هستند. ترموستات فن کویل آنالوگ که برای فن کویل زمینی استفاده می شود دکمه تغییر دور ندارد. چرا که روی اغلب دستگاه های فن کویل کلید برای تغییر دور وجود دارد.
ترموستات فن کویل آنالوگ سقفی که به ترموستات های سه دور معروف هستند. دارای دکمه تغییر دور فن می باشند.
ترموستات دیجیتال فن کویل دارای قابلیت های مختلف از جمله برنامه زمان بندی، تغییر فصل، تغییر دور، تنظیم دما و نمایشگر دمای محیط می باشد.

هر ترموستات مختص یک فن کویل است. لذا در صورت استفاده از یک ترموستات برای دو دستگاه باید آمپر مجاز ترموستات را بررسی نمایید تا ترموستات دچار مشکل نشود.
همانطور که در مقاله ترموستات فن کویل به تفصیل درمورد محل نصب مناسب ترموستات فن کویل، روش های کنترل دما و ترموستات های اتاقی توضیح دادیم. ترموستات فن کویل ها معمولاً در ارتفاع 1.5 متری از کف روی دیوار داخلی به صورتی که باد فن کویل مستقیما به ترموستات برخورد نداشته باشد و در معرض نور خورشید نباشد نصب می شود.
ترموستات در فصل تابستان و زمستان با توجه به حالت تنظیمی عمل خواهد کرد. لذا ترموستات فنکویل با حالت تابستانی در فصل زمستان به درستی عمل نمی کند.
در تابستان با بالارفتن دما، فن کویل روشن و در زمستان با بالا رفتن دما، فن کویل خاموش می شود. لذا انتخاب حالت تابستانی و زمستانی بسیار حائز اهمیت است.
برخی از مدلهای ترموستات دارای حالت اتوماتیک فن هستند که با توجه به اختلاف دمای تنظیمی و دمای اتاق، دور فن را تنظیم می کنند. در غیر این صورت دور فن به صورت دستی تنظیم میشود. معمولاً دارای ۳ تا ۵ دور هستند.
ترموستات فن کویل دارای بالب و سنسور حرارتی است که دمای محیط را حس میکند و به موتور فن کویل دستور خاموش و روشن می دهد. در برخی از سیستم ها که دارای شیر دو یا سه راهه برقی هستند، ترموستات به شیر برقی فرمان می دهد و فن دستگاه دائماً جهت انجام تهویه هوا روشن است.
نوع دستگاه در پروژه ها با توجه به نوع معماری می تواند متفاوت باشد. اما به لحاظ ظرفیت، بنا به فضای در نظر گرفته شده مقدار هوادهی باید محاسبه گردد.
معمولا انتخاب و خرید فن کویل مناسب مناطق معتدل به ازای هر متر مربع از فضای مسکونی نرمال با ارتفاع سقف 3 متر 450 بی تی یو بر ساعت ظرفیت سرمایشی محاسبه می گردد که محاسبه ظرفیت فن کویل با تقسیم مقدار ظرفیت برودتی بر عدد 22 تا 25 ظرفیت تقریبی دستگاه بر اساس CFM به دست می آید.
(اولویت انتخاب در سیستم های دو فصل با سیستم سرمایش است)
با توجه به فضای مورد نظر می توان از تعداد 1 یا چند دستگاه فن کویل برای تامین ظرفیت سرمایشی یا گرمایشی بهره برد. با توجه به محل نصب هر دستگاه، موقعیت لوله کشی چپ یا راست بودن دستگاه مشخص می گردد.
در سیستم های معمول جهت کنترل ظرفیت در فن کویل از ترموستات های دیواری (آنالوگ یا دیجیتال) برای فرمان به فن دستگاه استفاده می گردد که به این معنی که با خاموش و روشن کردن فن و یا با تغییر دور فن ظرفیت فن کویل کنترل می گردد. در صورتیکه آب سرد یا گرم همچنان در کویل دستگاه در جریان است.
در برخی سیستم ها فن کویل ها دارای شیرهای برقی دو طرفه یا سه طرفه هستند. به این معنی که آب ورودی به دستگاه را قطع یا بای پاس میکنند. در این سیستم ها فن به کار خود ادامه داده و جریان هوا برقرار است.
در سیستم های پیشرفته تر با استفاده از فن های دور متغیر و اتصال به شبکه های پیشرفته BMS می توان دور فن را تنظیم کرد و به دمای دلخواه رسید که این سیستم میتواند تواما با کنترل از طریق شیر های برقی نیز همراه باشد.
فن کویل های سقفی توکار و زمینی در ظرفیت ۲۰۰ و ۳۰۰ cfm معمولاً دارای موتورهایی با توان ۲۵ وات هستند. در ظرفیت های بالاتر ۴۰۰ و ۶۰۰ الکتروموتورها به ۴۵ وات ارتقا پیدا میکنند. ظرفیت ۸۰۰ و ۱۰۰۰ cfm از دو دستگاه الکتروموتور ۴۵ وات بهره میبرد.
در فن کویل کاستی نوع یک طرفه و چهار طرفه توانموتور در ظرفیت های تا ۶۰۰ cfm بین ۵۰ تا ۹۰ وات و در ظرفیت های بالاتر از ۱۳۰ تا ۲۵۰ وات می باشد.
در فن کویل های کانالی که افت فشار دستگاه ها بالاست تا ظرفیت ۱۰۰۰ cfm از الکتروموتور ۳۵۰ وات و در ظرفیت های بالاتر از دو یا سه دستگاه ۳۵۰ وات استفاده می شود.
قیمت فن کویل زمینی در مقایسه با فن کویل سقفی بالاتر است که البته نسبت به فن کویل کاستی که از گرانترین انواع فن کویل است قیمت پایین تری دارد لذا در درجه دوم دستگاه های زمینی ایستاده قیمت بالاتری دارد.
رنج بعدی قیمت مربوط به فن کویل دیواری و سپس فن کویل سقفی توکار که پایین ترین قیمت را دارد.
فن کویل سقفی کاستی به دلیل داشتن پمپ درین و سیستم کنترل از راه دور و ... داری قیمت تمام شده بالاتری نسبت به سایر دستگاه ها است.
قیمت فن کویل دیواری به نسبت پایینتر از نوع زمینی و کاستی است. در فن کویل دیواری که طرح اسپلیت است از فن های سانتریفیوژ استوانهای با قطر کم و طول زیاد استفاده شده است.
گارانتی فن کویل ها براساس مدل آن ها و شرکت های تولید کننده متفاوت است.
جهت انتخاب و محاسبه ظرفیت و خرید انواع فن کویل با مشاورین شرکت بامین تهویه تماس حاصل نمایید.
فروشگاه اینترنتی بامین تهویه تمامی اطلاعات فنی و تصاویر دستگاه های فن کویل را با نازل ترین قیمت ها جهت مقایسه و خرید آسان، خارج از محدوده زمانی ومکانی و به آسان ترین روش ممکن را در اختیار مشتریان محترم قرار داده است.
بامین تهویه تخصصی ترین وب سایت کشور در زمینه تأسیسات
فن کویل یک دستگاه تهویه مطبوع دو فصل است که از ترکیب فن، کویل مسی-آلومینیومی، و فیلتر تشکیل شده است. در تابستان با عبور آب سرد از چیلر از داخل کویل، هوای خنک تولید میکند و در زمستان با عبور آب گرم از موتورخانه یا پکیج، هوای گرم به فضا میدمد. فن دستگاه هوا را از محیط مکش کرده، از روی کویل عبور میدهد و به فضای مورد نظر هدایت میکند.
خیر، مصرف برق فن کویل معمولاً پایین است (بین ۲۵ تا ۳۵۰ وات بسته به ظرفیت). بیشترین مصرف مربوط به الکتروموتور فن است و برخلاف کولر گازی، کمپرسور ندارد. مدلهای دور متغیر (اینورتر) مصرف بهینهتری دارند.
در فن کویلهای سقفی و کاستی، آب کندانس توسط تشتک زیر کویل جمعآوری و از طریق لوله درین به فاضلاب هدایت میشود. در برخی مدلها از پمپ درین برای تخلیه آب استفاده میشود.
بهطور پیشفرض خیر، اما در مدلهای کانالی یا با اتصال به هواساز میتوان هوای تازه را وارد سیستم کرد.
دیدگاه خود را با ما در میان بگذارید

گهری
شنبه 29 دی 1403لیست قیمت فن کویل دیواری ایران رادیاتور هست خدمتتون بفرستید ؟
بامین تهویه
شنبه 29 دی 1403سلام دوست عزیز .
لطفا درخواستتون رو به واحد فروش شرکت بامین تهویه اعلام بفرمایید تا همکاران راهنماییتون کنن . 88306500-021
علیم نژاد
یکشنبه 13 خرداد 1403محل نصب ترموستات فن کویل کجا هستش؟
بامین تهویه
یکشنبه 13 خرداد 1403نکاتی هنگام نصب کردن ترموستات فن کویل باید رعایت شود از جمله :
1- روی دیوار خارجی نباشد .
2- در معرض نور مستقیم خورشید نباشد .
3- در معرض باد فن کویل نباشد .
4- هر ترموستات تنها مربوط به یک اتاق باشد .
5- ارتفاع 120 تا 150 سانت برای نصب باید رعایت شود .
پوران
یکشنبه 17 دی 1402سلام لولهکشی فن کویل زمینی رو شرکت شما انجام میده؟
بامین تهویه
یکشنبه 17 دی 1402سلام ، خیر . لطفا با شرکت های خدماتی تماس بگیرین.
user
سه شنبه 12 دی 1402سلام وقت بخیر سیم کشی فن کویل سقفی رو هم خود شرکت انجام میده؟
بامین تهویه
شنبه 16 دی 1402سلام ، معمولا سیم کشی فن کویل سقفی باید از قبل و به شکل توکار انجام شده باشه ، اما اگر انجام نشده ، باید این مورد رو با کارشناس نصب در میان بذارید.
فرشته
یکشنبه 3 دی 1402سلام ، مصرف برق فن کویل چقدره؟
بامین تهویه
یکشنبه 17 دی 1402سلام ، فن کویل های زمینی از ظرفیت(CFM) 200 تا (CFM)1000 دارای موتورهایی با توان 1/20 اسب هستند که در ظرفیت های بالاتر از 400 ، ظرفیت موتور ها 2عدد می شود.
ازیتا
یکشنبه 3 دی 1402سلام ، لطفا نحوه ی لولهکشی فن کویل سقفی رو توضیح بدین.
بامین تهویه
یکشنبه 17 دی 1402سلام خدمت شما. فن کویل های سقفی دارای 2اتصال حداقل 3/4 اینچ برای ورود و خروج آب هستند و یک اتصال 1/2 اینچ (لوله ی درین) برای تخلیه .