دیگ چدنی شوفاژکار 8 پره سوپر 500
shofazhkar boiler F-308
- ظرفیت حرارتی : ورودی: 265000 - خروجی: 225000 کیلوکالری برساعت
- طول : 1330 میلیمتر
- گارانتی : 10 سال
- حجم آبگیری : 117 لیتر
دیگ چدنی ۸ پره سوپر۵۰۰ شوفاژ کار
در ساختار بدنه دیگ چدنی شوفاژکار سوپر ۵۰۰ شوفاژکار با توجه به کارآیی آنها به دلیل مقاومت بیشتر در مقابل عوامل محیطی و شیمیایی
مانند رطوبت و مواد شیمیایی که به علت احتراق حاصل از سوخت مواد شیمیایی و مایعات بوجود میآید از آلیاژ چدن استفاده میشود که در مقابل
آتش نیز مقاومت خوبی دارد و به همین علت قابلیت استفاده به مدت طولانی خواهند داشت.
مشخصات دیگ چدنی سوپر ۵۰۰
دیگ سوپر ۵۰۰ هشت پره از ساختار تکه ای تشکیل و پره های دیگ به ضخامت ۵ میلیمتر با فین هایی برجسته به تعداد بالا پوشانده شده و در
صورت نیاز به صورت جداگانه قابل جابجایی و نصب و راه اندازی میباشند به همین دلیل حمل و نقل و نصب و سرویس این دیگها به سهولت انجام
میشود.
دیگ سوپر ۵۰۰ در مدل ۳ پاس تولید میشوند تا انتقال حرارت بخوبی و با حداکثر میزان خود انجامشودو با وجود لوله های پلی امید آب گرمموردنیاز
به صورت یکنواخت در سیستم جاری شودو جهت جلوگیری از اتلاف حرارت بدنه دیگ نیز، با روپوش ایزولاسیون محافظت میشود. ظرفیت حرارتی در
ٰدیگ چدنی ۸ پره سوپر۵۰۰ شوفاژ کار در قسمت ورودی ۳۰۸ کیلووات معادل ۲۶۵۰۰۰ کیلو کالری برساعت و ظرفیت خروجی۲۶۲ برابر با ۲۲۵۰۰۰ کیلو
کالری بر ساعت است.
حجم آبگیری دیگ آبگرم سوپر ۵۰۰ با تعداد پره های ۸ عدد به میزان ۱۱۷ لیترمیباشدو با داشتن حجم محفظه احتراق به میزان ۰/۱۰۵ متر مکعب
بازدهی خوبی را به مصرف کننده ارائه مینماید. سوخت مورد استفاده در این دیگ از دونوع گازی ومایع بوده که سوخت گازی از نوع گاز طبیعی )گاز
شهری( و گاز مایع از نوع گازوئیل بوده و حداکثر دمای کاری در آن به میزان ۹۰ درجه سانتیگراد و قابلیت تحمل حداکثر فشار کاری ۴ بار را داراست.
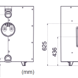
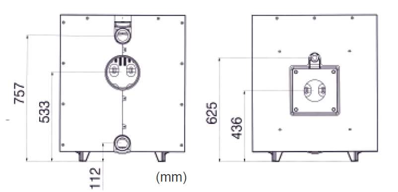
ابعاد و وزن دیگ شوفاژ کار۸ پره سوپر ۵۰۰
سایز ورودی و خروجی دیگ هر دو ۱/۲_۲ اینچ ، طول دیگ ۱۳۳۰ میلیمتر ، وزن دیگ ۷۸۰ کیلوگرم ، قطر دهانه مشعل گیر ۱۲۷ میلیمتر
ابعاد دیگ را تشکیل میدهند.
ویژگیهای دیگ چدنی مدل S500_8 شوفاژکار
۱_ تکه ای بودن قطعات و نصب وآسان توسط ۱ نفر
۲_ سهولت در نظافت و تمیز کردن پره های دیگ
۳_ قابلیت کوپل نمودن قطعات جهت کم یا زیاد نمودن ظرفیت حرارتی
۴_ راندمان بالا
۵_ دارای استاندارد اجباری ۴۴۲۷ و ۴۴۷۳ ،گواهی استاندارد CE ،گواهینامه مدیریت کیفیت ISO 9001:2008 از کمپانی SGS سوئیس
۶_ گارانتی ۱۰ ساله ضمانت بی قید و شرط تعویض پره های صدمه دیده درصورت نصب صحیح
- ظرفیت حرارتی : ورودی: 265000 - خروجی: 225000 کیلوکالری برساعت
- قطر دودکش : 208 میلیمتر
- طول : 1330 میلیمتر
- حجم محفظه احتراق : 0.105 لیتر
- گارانتی : 10 سال
- سایز لوله ورودی و خروجی : 1/2 2 اینچ
- حجم آبگیری : 117 لیتر
- قطر دهانه مشعل گیر : 127 میلیمتر
- وزن : 780 کیلوگرم
- حداکثر دمای کاری : 90 درجه سانتیگراد
- حداکثر فشار کاری : 4 Bar
- نوع سوخت : گاز طبیعی - گازوئیل
قبل از هرگونه پرداخت وجه و سفارش تجهیزات از موجودی محصول و یا زمان ساخت و تحویل آن اطمینان حاصل نمایید.
- پرداخت حضوری: جهت حفظ آسودگی خاطر مشتریان، پرداخت حضوری قبل از تحویل کالا در محل شرکت بامین تهویه امکان پذیر می باشد.
- پرداخت غیر حضوری: با توجه فواصل مکانی و یا مشغله کاری برخی از مشتریان ، امکان پرداخت غیر حضوری مبلغ کالا به شماره حساب های ارائه شده ، میسر می باشد. این پرداخت پس از حصول اطمینان از موجودی کالا و زمان تحویل از طریق همراه بانک، اینترنت بانک، عابر بانک، و یا انتقال وجه توسط شعب بانک مقدور می باشد.
- پرداخت در محل: فروشگاه بامین تهویه این امکان را برای مشتریان ساکن تهران فراهم ساخته که اجناس با ارزش کمتر از ۵/۰۰۰/۰۰۰ ریال را بصورت پرداخت در محل پس از تحویل کالا، خریداری نمایند.