شیر یکطرفه سایز 125 لولایی 10 بار میراب
Mirab Hinged check valve 10 bar size 125
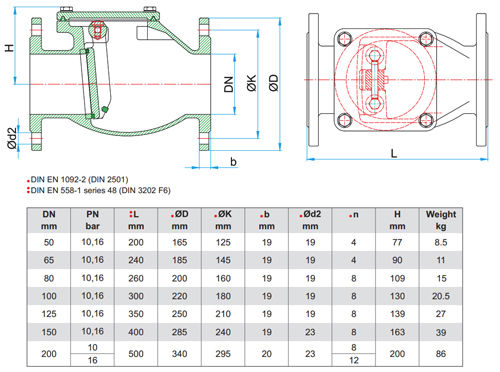
- قطر نامی : 125 میلی متر
- نوع اتصال : فلنچی
- نوع شیر : یکطرفه لولایی
قیمت استعلام از واحد فروش
- قطر نامی : 125 میلی متر
- نوع اتصال : فلنچی
- نوع شیر : یکطرفه لولایی
- فشار کاری : 10 bar
- دمای کاری : 70 درجه ی سانتیگراد
- جنس بدنه : چدن داکتيل
- جنس پروانه شیر : چدن داکتيل
- جنس درپوش : چدن داکتیل
- رینگ آببندی بدنه : استنلس استیل
- پین پروانه : استنلس استیل
- نوع سیال : آب، آب دریا، فاضلاب، گاز و بخار غیرخورنده .
- کاربری : در صنایع نفت، گاز، پتروشیمی، کشاورزی، تاسیسات ساختمانی و بیمارستانی، فاضلاب و پساب کاربرد دارد موتور کندانسوری
- مزایا : افت فشار و اغتشاش سیال بسیار کم، قابل استفاده در بازه ی وسیع نوع سیالات، قابل آب بندی بسیار مناسب، تعداد قطعات کم، وزن کم و ابعاد وجه تا وجه کوچک و قابل نصب در حالت افقی و عمودی می باشد .
- ویژگی ها : کلیه قطعات چدنی توسط رنگ اپوکسی پودری آبی (RAL5015) یا RAL5005) ) به روش الکترواستاتیکی و با ضخامت ۲۵۰ میکرون پوشش داده می شوند و به دلیل باز شدن کامل پروانه برای سیالاتی که دارای مواد جامد هستند مانند فاضلاب نیز مناسب است .
- وزن : 27 کیلوگرم
قبل از هرگونه پرداخت وجه و سفارش تجهیزات از موجودی محصول و یا زمان ساخت و تحویل آن اطمینان حاصل نمایید.
- پرداخت حضوری: جهت حفظ آسودگی خاطر مشتریان، پرداخت حضوری قبل از تحویل کالا در محل شرکت بامین تهویه امکان پذیر می باشد.
- پرداخت غیر حضوری: با توجه فواصل مکانی و یا مشغله کاری برخی از مشتریان ، امکان پرداخت غیر حضوری مبلغ کالا به شماره حساب های ارائه شده ، میسر می باشد. این پرداخت پس از حصول اطمینان از موجودی کالا و زمان تحویل از طریق همراه بانک، اینترنت بانک، عابر بانک، و یا انتقال وجه توسط شعب بانک مقدور می باشد.
- پرداخت در محل: فروشگاه بامین تهویه این امکان را برای مشتریان ساکن تهران فراهم ساخته که اجناس با ارزش کمتر از ۵/۰۰۰/۰۰۰ ریال را بصورت پرداخت در محل پس از تحویل کالا، خریداری نمایند.
دیدگاهی یافت نشد!
