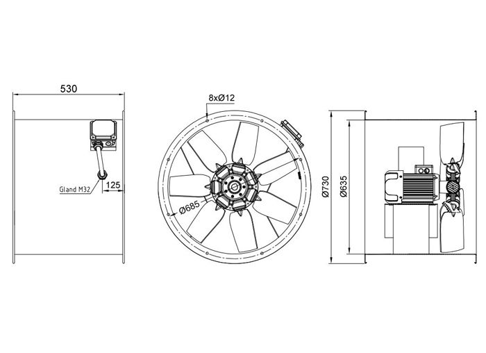
فن آکسیال دمنده سیلندری مدل DASP-KN100-4T-710-28deg
Damandeh Cylindrical Axial Fan DASP-KN100-4T-710-28deg
- هوادهی : 24000 متر مکعب بر ساعت
- قطر پروانه : 710 میلیمتر
- توان موتور : 3 کیلووات
- توان فن : 2950 وات
قیمت استعلام از واحد فروش
- وزن : 66 کیلوگرم
- ولتاژ : 400 ولت
- هوادهی : 24000 متر مکعب بر ساعت
- دور موتور : 1410 RPM
- قطر پروانه : 710 میلیمتر
- جریان : 5.3 آمپر
- توان موتور : 3 کیلووات
- IP : 55 .
- کلاس عایق بندی الکترو موتور : Class F
- جنس بدنه : فولادی با پوشش رنگ الکترو استاتیک
- جنس پروانه فن : دایکست آلومینیوم
- نوع عملکرد موتور : دائم
- کاربرد : سیستم تهویه فضاهای تجاری متوسط و بزرگ،فضاهای صنعتی،کارگاهها،تامین هوای پارکینگها و انبارهای صنعتی .
- سطح صدا : 91 دسیبل
- توان فن : 2950 وات
قبل از هرگونه پرداخت وجه و سفارش تجهیزات از موجودی محصول و یا زمان ساخت و تحویل آن اطمینان حاصل نمایید.
- پرداخت حضوری: جهت حفظ آسودگی خاطر مشتریان، پرداخت حضوری قبل از تحویل کالا در محل شرکت بامین تهویه امکان پذیر می باشد.
- پرداخت غیر حضوری: با توجه فواصل مکانی و یا مشغله کاری برخی از مشتریان ، امکان پرداخت غیر حضوری مبلغ کالا به شماره حساب های ارائه شده ، میسر می باشد. این پرداخت پس از حصول اطمینان از موجودی کالا و زمان تحویل از طریق همراه بانک، اینترنت بانک، عابر بانک، و یا انتقال وجه توسط شعب بانک مقدور می باشد.
- پرداخت در محل: فروشگاه بامین تهویه این امکان را برای مشتریان ساکن تهران فراهم ساخته که اجناس با ارزش کمتر از ۵/۰۰۰/۰۰۰ ریال را بصورت پرداخت در محل پس از تحویل کالا، خریداری نمایند.
دیدگاهی یافت نشد!
