فن کویل کاستی چهارطرفه تهویه اوشان مدل CFN 800
Tahvieh One Way Cassette Fan Coil CFN 800
- ظرفیت حرارتی : 7.77 کیلووات
- دبی آب گرمایش : 13.8 لیتر بر دقیقه
- دبی آب سرمایش : 27.25 لیتر بر دقیقه
- هوادهی : 800 CFM
- ظرفیت برودتی : 9.6 کیلووات
- کنترل : دارد
- نوع دمپر : متحرک
فن کویل کاستی چهارطرفه تهویه مدل اوشان CFN 800 دارای دیفیوزر خطی کنترل دار و دمپر متحرک بوده و با ابعاد مناسب جهت تعبیه در انواع سقف کاذب با ارتفاع کم طراحی و تولید شده و قابل استفاده در اماکن مسکونی، اداری، تجاری، مراکز خرید و... میباشد.
در ساخت بدنه ی این فن کویل ها از ورق گالوانیزه مرغوب استفاده شده و جداره ی داخلی آن با عایق الاستومری چسب دارپوشش داده شده است تا علاوه بر جلوگیری از هدر رفت حرارت و برودت، صدای دستگاه نیزکاهش یابد.
موتور استفاده شده دراین فن کویل دارای محافظ حرارتی است، بطوریکه در زمان افزایش حرارت بیش از حد، دستگاه خاموش شده و پس از خنک شدن، دوباره شروع بکار میکند و این امر دلیل بر افزایش طول عمر دستگاه میشود.
در این فن کویل، فن سانتریفوژ بکوارد با کمترین سطح صدای ممکن تعبیه شده و دلیل این عملکرد با صدای کم، استفاده از لرزه گیرلاستیکی در قسمت اتصال پره ها به شفت موتور میباشد.
کویل بکار رفته دراین فن کویل پس از ساخت، چربی زدایی و تست نشتی میشود. فین های استفاده شده در این کویل ها از نوع موج دار است که ظرفیت بالاتری دارند و کلکتورهای این کویل ها از جنس برنج بوده و نکته ی حائز اهمیت این است که طراحی آن بگونه ای است که بر روی دستگاه پیچ میشوند و براحتی میتوان آن را بوسیله ی یک عدد آچار باز و بست نمود.
فن کویل کاستی چهارطرفه اوشان مدل CFN 800 دارای پمپ درین میباشد که آب کندانس تا ارتفاع 65 سانتی متر را تخلیه میکند و با توجه به وجود شیر یکطرفه در این پمپ از برگشت آب تخلیه به داخل دستگاه جلوگیری میشود. طراحی این پمپ به گونه ای است که ریزش احتمالی آب از داخل دستگاه به بیرون وجود نداشته و شلنگ های تخلیه آب کندانس نیز از جنس EPDM انتخاب شده تا در برابر تغییرات دمایی از مقاومت بالایی برخوردار باشند.
ظرفیت سرمایشی و گرمایشی فن کویل کاستی چهارطرفه اوشان 800CFM
ظرفیت سرمایشی فن کویل کاستی چهارطرفه اوشان 800CFM در بالاترین حالت برابر 9.6 کیلووات، در حالت متوسط 7.62 کیلووات، در کمترین حالت به میزان 6.01 کیلووات و ظرفیت گرمایشی این فن کویل نیز در بالاترین حالت برابر 9.52 کیلووات، در حالت متوسط 7.59 کیلووات و در کمترین حالت به میزان 5.95 کیلووات میباشد.
( اعداد درج شده فوق بر اساس شرایط زیر است )
در حالت سرمایش میزان دمای هوای ورودی به فن کویل 27 درجه سانتیگراد خشک و 19 درجه سانتیگراد مرطوب و درحالت
گرمایش برابر 20 درجه سانتیگراد است.
میزان دمای آب ورودی نیز در حالت سرمایش 7 درجه سانتیگراد در زمان ورود و 12 درجه سانتیگراد در زمان خروج بوده و در
زمان گرمایش میزان دمای آب ورودی 50 درجه سانتیگراد میباشد.
برق مصرفی
نوع برق مصرفی 220 ولت، 50 هرتز و تکفاز بوده، توان ورودی برابر 103وات و میزان جریان برق در این مدل از فن کویل
0.52 آمپر میباشد.
حجم هوادهی ودبی آب ورودی وافت فشار آب
در فن کویل کاستی چهارطرفه تهویه مدل CFN 800 میزان جریان هوا در حالت زیاد به میزان 1360 مترمکعب در ساعت، در حالت متوسط 1010 مترمکعب در ساعت و در حالت کم 750 متر مکعب در ساعت، دبی آب ورودی نیز درحالت سرمایش و گرمایش این فن کویل به ترتیب به میزان 27.25 و 13.8 لیتر در ساعت و میزان افت فشار در حالت سرمایش 26.91 و درزمان گرمایش برابر 6.88 کیلو پاسکال میباشد.
میزان شدت صدا فن کویل کاستی چهارطرفه تهویه مدل CFN 800
میزان شدت صدای فن کویل کاستی چهارطرفه تهویه اوشان 800CFM در فاصله ی 1 متری دستگاه اندازه گیری شده است که دربالاترین حالت به میزان 41.5 و در حالت متوسط 37.5 و در کمترین حالت 34.7 دسیبل است.

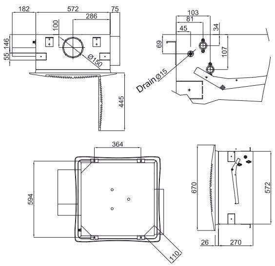
ابعاد، وزن و سایز اتصالات فن کویل کاستی چهارطرفه اوشان 800CFM مدل CFN 800
عرض 820 میلیمتر
طول 820 میلیمتر
ارتفاع 303 میلیمتر
وزن خالص 32.8 کیلوگرم
سایز لوله های ورودی و خروجی 3/4 اینچ

ویژگی های فن کویل کاستی چهارطرفه اوشان 800CFM برند تهویه
استفاده از فیلتر با قابلیت شستشو، با دوام و تعویض آسان
دارای ابعاد مناسب و قابل نصب در سقف کاذب
دارای چهار حالت کارکرد به صورت فن، سرمایش، گرمایش و اتوماتیک
قابلیت کنترل حرکت پره ها با استفاده از ریموت کنترل
مجهز به پمپ سانتریفوژ جهت تخلیه آب کندانس کویل
دارای سنسور دمای آب کویل
مجهز به شیر یکطرفه جهت جلوگیری از برگشت آب کندانس به داخل دستگاه
دارای سه سرعت استاندارد با سطح صدای پایین
قابل ارائه بصورت 4 لوله در صورت سفارش مشتری
مجهز به شیر هواگیری
دسترسی آسان به فن و الکترو موتور جهت انجام سرویس دوره ای
استفاده از ورق گالوانیزه مرغوب جهت ساخت بدنه داخلی
قاب ساخته شده در دو اندازه از مواد ABS مقاوم
قابلیت کنترل دمای مورد نیاز
- ظرفیت حرارتی : 7.77 کیلووات
- ویژگی ها : ظاهری زیبا و دکوراتیو، امکان نصب آسان و انجام سرویس های دوره ای،قاب ساخته شده در دو اندازه از مواد ABS مقاوم و زیبا .
- قطر لوله : 3/4 اینچ
- توان ورودی : 103 وات
- تعداد فن : 1
- نوع فن : سانتریفوژ فوروارد
- افت فشار آب : گرمایش : 6.88 کیلو پاسکال
- افت فشار آب : سرمایش : 26.91 کیلو پاسکال
- گارانتی : ۱۲ماه
- دارای : سه سرعت استاندارد با سطح صدای بسیار پایین،تشت تقطیر ثانویه در بیرون دستگاه در محل اتصالات،فیلتر قابل شستشو با نصب و تعویض بسیار آسان .
- قابلیت : تو لید در ظرفیت های متفاوت،ارائه بصورت ۴ لوله ای،کنترل حرکت پره ها با استفاده از ریموت کنترل در مدل CFN،کنترل سیستم های ۲ لوله و ۴ لوله .
- مدل فن کویل : کاستی چهار طرفه
- وزن : 32.8 کیلوگرم
- جریان : 0.52 آمپر
- سطح صدا : 41.5 دسیبل
- دبی آب گرمایش : 13.8 لیتر بر دقیقه
- دبی آب سرمایش : 27.25 لیتر بر دقیقه
- هوادهی : 800 CFM
- ظرفیت برودتی : 9.6 کیلووات
- شرکت سازنده ی فن کویل : تهویه
- مجهز به : پمپ سانتریفیوژ جهت تخلیه آب کندانس کویل، شیر هواگیری با کاربری آسان .
- همراه با : دیفیوزر خطی .
- کنترل : دارد
- نوع دمپر : متحرک
قبل از هرگونه پرداخت وجه و سفارش تجهیزات از موجودی محصول و یا زمان ساخت و تحویل آن اطمینان حاصل نمایید.
- پرداخت حضوری: جهت حفظ آسودگی خاطر مشتریان، پرداخت حضوری قبل از تحویل کالا در محل شرکت بامین تهویه امکان پذیر می باشد.
- پرداخت غیر حضوری: با توجه فواصل مکانی و یا مشغله کاری برخی از مشتریان ، امکان پرداخت غیر حضوری مبلغ کالا به شماره حساب های ارائه شده ، میسر می باشد. این پرداخت پس از حصول اطمینان از موجودی کالا و زمان تحویل از طریق همراه بانک، اینترنت بانک، عابر بانک، و یا انتقال وجه توسط شعب بانک مقدور می باشد.
- پرداخت در محل: فروشگاه بامین تهویه این امکان را برای مشتریان ساکن تهران فراهم ساخته که اجناس با ارزش کمتر از ۵/۰۰۰/۰۰۰ ریال را بصورت پرداخت در محل پس از تحویل کالا، خریداری نمایند.
دیدگاهی یافت نشد!
