مشعل گازی پارس مشعل PM3-PGO-211
Pars Mashal Gas PM3-PGO-211
- نوع سوخت : گاز
- حالت عمکلرد مشعل : یک مرحله ای
- ظرفیت حرارتی : 79000-300000 کیلوکالری برساعت
- توان موتور : 450 وات
مشعل گازی PM3PGO211 پارس مشعل با ظرفیت حدود 300.000 کیلوکالری در ساعت مناسب برای استفاده در سیستم های حرارتی، آبگرم
مصرفی برای ساختمان های مسکونی و اداری با متراژ کمتر از 1700 متر با قابلیت نصب بر روی دیگ های چدنی و فولادی جهت تولید آبگرم وبخار
در موتور خانه های کوچک و تامین گرمایش در کوره های هوای گرم وبویلرهای کوچک بخار و ... استفاده میشود.
مشعل گازسوز پارس مشعل مدل PM3 PGO 211 عملکرد تک مرحله ای داشته و کارکرد ساده ای دارد.
گاز طبیعی با عبور از فیلتر و رسیدن به سر نازل، با هوا ترکیب شده و ایجاد جرقه توسط ترانس جرقه باعث بوجود آمدن شعله میشود.
ظرفیت حرارتی مشعل PM3 PGO 211
ظرفیت حرارتی پارس مشعل مدل PM3 PGO 211 حداقل 79.000 کیلوکالری بر ساعت و حداکثر آن 300.000 کیلوکالری بر ساعت میباشد.
برق مصرفی
برق مصرفی پارس مشعل مدل PM3 PGO 211 معادل 220 ولت و تکفاز با فرکانس 50 هرتز است و از موتور 450 وات بهره میبرد.
فشار ورودی گاز
فشار ورودی گاز این مشعل معادل 18.5 m.bar است. فشار گاز مناسب برای عملکرد مشعل یک چهارم پوند است و با یک خط لوله گاز خانگی یک
اینچ قابل راه اندازی است.

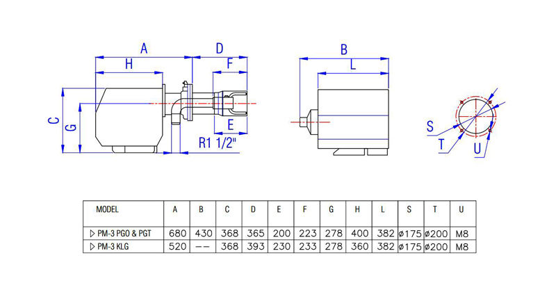
ابعاد مشعل پارس مشعل مدل PM3 PGO 211
این مشعل دارای طول 1045 میلیمتر، عرض 430 و سایز لوله گاز ورودی برابر 1 اینچ و قطر دهانه مشعل گیر 130 میلیمتر میباشد.

خصوصیات پارس مشعل مدل PM3 PGO 211
آلایندگی کم وسازگاری با محیط زیست
ساختار مونوبلاک
وزن کم
ابعاد مناسب
جابجایی و نصب آسان
قابل تنظیم مشعل جهت احتراق کامل و مناسب جهت کاهش مصرف سوخت و بازدهی بالا
- نوع سوخت : گاز
- نوع برق مصرفی : تک فاز
- حالت عمکلرد مشعل : یک مرحله ای
- قطر دهانه مشعل گیر : 130 میلیمتر
- ظرفیت حرارتی : 79000-300000 کیلوکالری برساعت
- سایز لوله گاز ورودی : 1 اینچ
- توان موتور : 450 وات
- فشار گاز ورودی مورد نیاز : 18.5 mbar
قبل از هرگونه پرداخت وجه و سفارش تجهیزات از موجودی محصول و یا زمان ساخت و تحویل آن اطمینان حاصل نمایید.
- پرداخت حضوری: جهت حفظ آسودگی خاطر مشتریان، پرداخت حضوری قبل از تحویل کالا در محل شرکت بامین تهویه امکان پذیر می باشد.
- پرداخت غیر حضوری: با توجه فواصل مکانی و یا مشغله کاری برخی از مشتریان ، امکان پرداخت غیر حضوری مبلغ کالا به شماره حساب های ارائه شده ، میسر می باشد. این پرداخت پس از حصول اطمینان از موجودی کالا و زمان تحویل از طریق همراه بانک، اینترنت بانک، عابر بانک، و یا انتقال وجه توسط شعب بانک مقدور می باشد.
- پرداخت در محل: فروشگاه بامین تهویه این امکان را برای مشتریان ساکن تهران فراهم ساخته که اجناس با ارزش کمتر از ۵/۰۰۰/۰۰۰ ریال را بصورت پرداخت در محل پس از تحویل کالا، خریداری نمایند.
دیدگاهی یافت نشد!
