مشعل گازی پارس مشعل PM7-PGM-513
Pars Mashal Gas PM7-PGM-513
- نوع سوخت : گاز
- حالت عمکلرد مشعل : تدریجی
- ظرفیت حرارتی : 2150000-3870000 کیلوکالری برساعت
- توان موتور : 75 کیلووات
مشعل گازی PM7 PGM 513 پارس مشعل با ظرفیت حدود 3.870.000 کیلوکالری در ساعت مناسب برای استفاده در سیستم های حرارتی، آبگرم
مصرفی برای مکان های صنعتی و صنایع سنگین با قابلیت نصب بر روی دیگ های و فولادی جهت تولید آبگرم وبخار در موتور خانه ها و تامین
گرمایش در کوره های هوای گرم کوره های صنعتی وبویلرهای بخار و ...استفاده میشود.
مشعل گازسوز پارس مشعل مدل PM7 PGM 513 از نوع مشعل های با عملکرد تدریجی میباشد، بطوریکه در آن با استفاده از شیر برقی تدریجی
به آرامی مسیر گاز باز خواهد شد و با حرکت محور شیر وباز شدن بیشتر شیر و مسیر گاز، شعله نیز بصورت تدریجی افزایش میبابد.
لازم به توضیح است که قطع شدن شعله بصورت تدریجی نبوده ولحظه ای صورت میپذیرد و دبی هوای مورد نیاز احتراق بوسیله یک سروموتور با
دقت بالا کنترل میشود.
ظرفیت حرارتی مشعل PM7 PGM 513
ظرفیت حرارتی پارس مشعل مدل PM7 PGM 513 حداقل 2.150.000 کیلوکالری بر ساعت و حداکثر آن 3.870.000 کیلوکالری بر ساعت میباشد.
برق مصرفی
برق مصرفی پارس مشعل مدل PM7 PGM 513 معادل 380 ولت و سه فاز با فرکانس 50 هرتز است و از موتور 7.5 کیلووات بهره میبرد.
فشار ورودی گاز
حداقل فشار ورودی گاز این مشعل معادل 2 bar است.

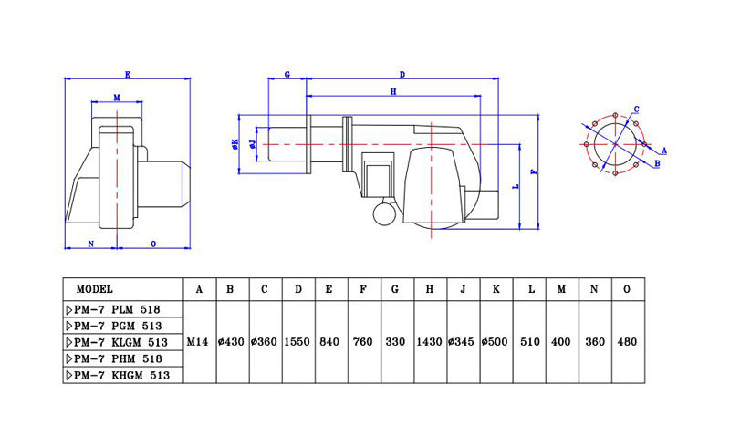
ابعاد مشعل پارس مشعل مدل PM7 PGM 513
طول : 1880 میلیمتر
عرض: 840 میلیمتر
قطر دهانه مشعل گیر: 360 میلیمتر

خصوصیات پارس مشعل مدل PM7 PGM 513
استفاده ازتجهیزات کنترلی ازبهترین برندها مانند شرکتهای Siemens و Honeywell
طراحی واحد هوادهی فن، از یکی از معتبرترین برندهای تولیدکننده فن اروپائی و پوسته شرکت Punker
بهره گیری از پمپهای جابجایی مثبت فشاربالای شرکت hp-TECHNIK، یکی از معتبرترین برندهای تولیدکننده پمپ اروپائی
استفاده ازسروموتور با سه سیگنال ورودی کنترل توان حرارتی ( Ω 135-0 ،V 0-10 ، mA 4-20 )
کاهش مصرف سوخت بواسطه عملکرد تدریجی دقیق با سوختهای گازی و مایع
قابلیت تنظیم دقیق فرایند احتراق به منظوردستیابی به راندمان بالا و کاهش مصرف سوخت
آلایندگی بسیار کم و سازگاری با محیط زیست
قابلیت بهرهگیری از سیستم کنترل هوشمند احتراق
- نوع سوخت : گاز
- نوع برق مصرفی : سه فاز
- حالت عمکلرد مشعل : تدریجی
- فشار گاز ورودی مورد نیاز : 2 bar
- ظرفیت حرارتی : 2150000-3870000 کیلوکالری برساعت
- توان موتور : 75 کیلووات
قبل از هرگونه پرداخت وجه و سفارش تجهیزات از موجودی محصول و یا زمان ساخت و تحویل آن اطمینان حاصل نمایید.
- پرداخت حضوری: جهت حفظ آسودگی خاطر مشتریان، پرداخت حضوری قبل از تحویل کالا در محل شرکت بامین تهویه امکان پذیر می باشد.
- پرداخت غیر حضوری: با توجه فواصل مکانی و یا مشغله کاری برخی از مشتریان ، امکان پرداخت غیر حضوری مبلغ کالا به شماره حساب های ارائه شده ، میسر می باشد. این پرداخت پس از حصول اطمینان از موجودی کالا و زمان تحویل از طریق همراه بانک، اینترنت بانک، عابر بانک، و یا انتقال وجه توسط شعب بانک مقدور می باشد.
- پرداخت در محل: فروشگاه بامین تهویه این امکان را برای مشتریان ساکن تهران فراهم ساخته که اجناس با ارزش کمتر از ۵/۰۰۰/۰۰۰ ریال را بصورت پرداخت در محل پس از تحویل کالا، خریداری نمایند.
دیدگاهی یافت نشد!
