پمپ آب عمودی طبقاتی سیستما مدل MVSt 16-6
SISTEMA Vertical Multi Impeller Pumps MVSt 16-6
- هد : 82 متر
- توان پمپ : 7.5 اسب بخار
- نوع برق مصرفی : سه فاز
- دبی : 22 متر مکعب بر ساعت
- جریان : 10.7 آمپر
قیمت استعلام از واحد فروش
- هد : 82 متر
- شرایط کاربری : مداوم
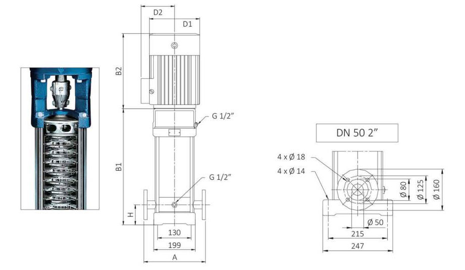
- قطر لوله : 2 اینچ
- کلاس عایق بندی الکترو موتور : Class F
- فرکانس : 50 هرتز
- ولتاژ : تک فاز : 230 ولت، سه فاز: 230/400 ولت
- حداکثر عمق مکش : 7 متر
- دمای محیط : 40 درجه سانتی گراد
- دمای سیال : برای مصارف خانگی 35 درجه سانتی گراد، برای سایر کاربری ها 110 درجه سانتیگراد
- جنس پروانه پمپ : استنلس استیل
- درجه حفاظت : IP55
- جنس بدنه : استنلس استیل
- ارتفاع : 1037 میلیمتر
- وزن : 99.1 کیلوگرم
- نوع پمپ : عمودی طبقاتی
- توان پمپ : 7.5 اسب بخار
- نوع برق مصرفی : سه فاز
- دبی : 22 متر مکعب بر ساعت
- کاربرد : سیستم تقویت فشار،بویلر فید،تاسیسات صنعتی،کندانس یونیت،صنایع غذایی،ورزشی و آبیاری با قابلیت اطمینان بال و اشتغال فضا .
- گارانتی : ۱۲ماه
- جنس شفت : استنلس استیل 304 (AISI304)
- جریان : 10.7 آمپر
قبل از هرگونه پرداخت وجه و سفارش تجهیزات از موجودی محصول و یا زمان ساخت و تحویل آن اطمینان حاصل نمایید.
- پرداخت حضوری: جهت حفظ آسودگی خاطر مشتریان، پرداخت حضوری قبل از تحویل کالا در محل شرکت بامین تهویه امکان پذیر می باشد.
- پرداخت غیر حضوری: با توجه فواصل مکانی و یا مشغله کاری برخی از مشتریان ، امکان پرداخت غیر حضوری مبلغ کالا به شماره حساب های ارائه شده ، میسر می باشد. این پرداخت پس از حصول اطمینان از موجودی کالا و زمان تحویل از طریق همراه بانک، اینترنت بانک، عابر بانک، و یا انتقال وجه توسط شعب بانک مقدور می باشد.
- پرداخت در محل: فروشگاه بامین تهویه این امکان را برای مشتریان ساکن تهران فراهم ساخته که اجناس با ارزش کمتر از ۵/۰۰۰/۰۰۰ ریال را بصورت پرداخت در محل پس از تحویل کالا، خریداری نمایند.
دیدگاهی یافت نشد!
