پمپ آب پنتاکس دوپروانه CB 100/01
Duble Impeller Pentax Water Pump CB 100/01
- توان موتور : 1 اسب بخار
- دبی : 4.5 متر مکعب بر ساعت
- هد : 42 متر ستون آب
- آمپر مصرفی : 5.4 آمپر
کاربرد پمپ آب پنتاکس مدل CB 100/01
کاربرد پمپ آب پنتاکس مدل CB 100/01 جهت افزایش فشار آب برای آپارتمانها و مجتمع های تجاری ، اداری و مسکونی می باشد ولی با توجه به کاربرد فراوان آن در منازل مسکونی به آن پمپ آب خانگی نیز اطلاق می شود. در اصطلاح عامیانه به آن پمپ بشقابی دو پروانه نیز می گویند. پمپ آب CB 100/01 با داشتن دو پروانه امکان تامین حداکثر فشار 4.2 بار را دارد. این میزان هد ماکسیمم و حد نهایی می باشد. بدین مفهوم که در این پمپ آب با فشار 4.2 بار دبی صفر خواهد بود و همچنین دبی اعلام شده در جدول مشخصات پمپ در "هد" صفر یعنی نزدیکترین نقطه خروجی پمپ می باشد.لذا در زمان انتخاب پمپ آب حتما از نمودار و جدول هد و دبی پمپ پنتاکس CB100/01 استفاده نمایید. قابل ذکر است میزان NPSH( فشار مثبت دهانه مکش)(Net Positive Suction Head) نیز به شدت بروی دبی و هد خروجی تاثیر دارد.
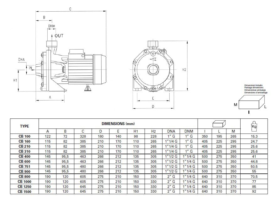
مشخصات پمپ آب پنتاکس مدل CB 100/01
حداکثر فشار کاری پمپ آب پنتاکس CB100/01 بر طبق کاتالوگ شرکت سازنده 6 بار (باید توجه داشت هد ماکسیمم پمپ 4.2 بار با فشار دهانه مکش 1 بار مطلق می باشد و با افزایش این فشار می توان فشار خروجی را نیز افزایش داد)
دمای آب برای پمپ پنتاکس سری CB با پروانه برنج باید بین 0 تا 90 درجه سانتیگراد باشد.
جنس بدنه پمپ از چدن و بدنه الکتروموتور آن چدن و آلومینیویم می باشد.
شفت پمپ از جنس استیل با کد AISI 416 می باشد.
برای حفاظت سیم پیچ الکتروموتور این پمپ آب از قطع کن حرارتی استفاده شده و در صورت افزایش حرارت بیش از حد ، جریان برق سیم پیچ را قطع می کند.
جنس پروانه پمپ آب پنتاکس مدل CB 100/01 از نوریل می باشد.
کلاس عایق F و درجه حفاظت 44(IP) برای پمپ آب پنتاکس CB100/01 در کاتالوگ ها منظور شده است.
الکتروپمپ پنتاکس CB 100/01 دارای یکسال گارانتی میباشد.
انتخاب پمپ آب پنتاکس مدل CB 100/01
برای اتنخاب پمپ آب دو مولفه مهم هد و دبی باید مشخص شود. برای محاسبه هد که در جدول و نمودارها براساس مترستون آب می باشد ارتفاع آخرین مصرف کننده از پمپ آب ( از فاصله افقی صرف نظر می شود مگر در شرایطی که تعداد اتصالات و یا طول افقی زیاد باشد) به علاوه فشار کاری مورد نیاز در آخرین مصرف کننده ( مصارف عمومی 10 الی 15 متر) نمایید. محاسبه دبی مورد با توجه به مصرف کننده متفاوت می باشد اما در مصارف مسکونی و عمومی با توجه به میزان مصرف هر واحد مصرفی ( دستشویی ، ظرفشویی، توالت و....) و ضریب مصرف مشخص می شود. برای تعیین دبی می توان از جداولی که بصورت سرانگشتی محاسبه شده اند استفاده کرد. اما پیشنهاد می شود برای انتخاب دقیقتر در زمان محاسبه هد و دبی پمپ آب با کارشناسان بامین تهویه مشاوره نمایید.
در زمان خرید پیشنهاد می شود تجهیزات و لوازم مورد نیاز نصب مانند پرشر کنترل ( اتومات پمپ ) مناسب با فشار و ظرفیت پمپ آب ، پنج راهه برنجی ( در صورت نیاز ) ، ست کنترل ( جایگزین اتومات پمپ در ظرفیت پایین و شرایط استفاده خاص) ، منبع تحت فشار و ... را با توجه به پمپ آب خریداری شده انتخاب و تهیه کنید تا هم در زمان و هم در هزینه صرفه جویی شود.
در زمان تحویل پمپ پنتاکس از سالم بودن بدنه و قطعات آن اطمینان حاصل نمایید.
برای نصب پمپ آب پنتاکس از افراد مجرب استفاده نمایید.
در زمان نصب به ولتاژ و میزان برق مصرفی توجه کرده و فیوز و کلید محافظ مناسب با مشخصات پمپ تهیه کنید.
با توجه به ابعاد اندازه پمپ آبرسانی پنتاکس محل مناسب برای نصب آن انتخاب کنید.

حدالامکان برای پمپ آبرسانی پنتاکس CB 100/01 یک منبع ذخیره آب با ظرفیت متناسب با دبی پمپ و در مسیر آب ورودی به پمپ آب تهیه و نصب شود تا در زمان قطع آب به پروانه ، سیل و الکتروموتور پمپ آسیب وارد نشود. قابل ذکر است نصب پمپ آب بدون منبع ذخیره در مسیر ورودی غیر قانونی بوده و درصورت مشاهده و گزارش به سازمان آب و فاضلاب احتمال قطع یا جریمه وجود خواهد داشت.
در زمان لوله کشی پمپ آب و نصب دقت شود که مسیر بای پاس (کنار گذر) برای آن در نظر گرفته شود تا از قطع جریان آب در صورت خرابی پمپ و یا قطع برق جلوگیری شود.
نصب صافی در مسیر تغذیه آب پمپ آبرسانی میتواند از ورود ذرات به پمپ و آسیب رساندن به پروانه پمپ جلوگیری کند.
وزن لوله و اتصالات متصل به پمپ توسط بست ، ساپورت و یا استاکچر مناسب کنترل شود تا از آسیب به بدنه جلوگیری شود.
استفاده از شیر یکطرفه سوزنی با توجه به آببندی مناسب بهترین جایگزین شیرهای یکطرفه دروازه ای است. نصب این شیر در خروجی پمپ مناسبتر بوده زیرا مبنا طراحی پمپ های آبرسانی فشار رانش قوی بوده و هرگونه افت فشار در مسیر مکش (ورودی پمپ) تاثیر دو چندان در فشار و دبی خروجی خواهد داشت.
حدالامکان سعی شود تا در ابتدای مسیر خروجی پمپ تا یک متر از زانو 45 درجه به جای زانو 90 استفاده شود تا ضربه قوچ کمتری در زمان خاموش شدن پمپ ایجاد شود.
پمپ آب خانگی پنتاکس سری CB دارای لرزش کمی می باشد اما استفاده از لرزه گیر جهت کاهش انتقال این لرزش به ساختمان پیشنهاد می شود.
پمپ های آب پنتاکس سری CB صدای کمی دارند اما بطور کل میزان صدای پمپ های دو پروانه بیشتر از پمپ های تک پروانه می باشد لذا در انتخاب محل نصب دقت نمایید.
بامین تهویه با ارائه مشاوره و بهترین قیمت پمپ آب خانگی و صنعتی امکان خریدی مطمئن و مناسب با نیاز شما را میسر می سازد.
- توان موتور : 1 اسب بخار
- سایز لوله ورودی و خروجی : ورودی 1 اینچ
- دبی : 4.5 متر مکعب بر ساعت
- سایز لوله ورودی و خروجی : خروجی 1 اینچ
- هد : 42 متر ستون آب
- نوع برق مصرفی : تک فاز
- جنس پروانه پمپ : برنج
- آمپر مصرفی : 5.4 آمپر
- جنس پروانه پمپ : برنج
- حداکثر دمای کاری : 90 سانتیگراد
- حداقل دمای کاری : 0 سانتیگراد
- حداکثر فشار کاری : 6 Bar
قبل از هرگونه پرداخت وجه و سفارش تجهیزات از موجودی محصول و یا زمان ساخت و تحویل آن اطمینان حاصل نمایید.
- پرداخت حضوری: جهت حفظ آسودگی خاطر مشتریان، پرداخت حضوری قبل از تحویل کالا در محل شرکت بامین تهویه امکان پذیر می باشد.
- پرداخت غیر حضوری: با توجه فواصل مکانی و یا مشغله کاری برخی از مشتریان ، امکان پرداخت غیر حضوری مبلغ کالا به شماره حساب های ارائه شده ، میسر می باشد. این پرداخت پس از حصول اطمینان از موجودی کالا و زمان تحویل از طریق همراه بانک، اینترنت بانک، عابر بانک، و یا انتقال وجه توسط شعب بانک مقدور می باشد.
- پرداخت در محل: فروشگاه بامین تهویه این امکان را برای مشتریان ساکن تهران فراهم ساخته که اجناس با ارزش کمتر از ۵/۰۰۰/۰۰۰ ریال را بصورت پرداخت در محل پس از تحویل کالا، خریداری نمایند.
دیدگاهی یافت نشد!
