پمپ آب پنتاکس سانتریفیوژ مدل CST 200/2
Pentax Centrifugal Water pump CST 200/2
- توان موتور : 2 اسب بخار
- دبی : 54 متر مکعب بر ساعت
- هد : 13.8 متر
- نوع برق مصرفی : سه فاز
قیمت استعلام از واحد فروش
- توان موتور : 2 اسب بخار
- دبی : 54 متر مکعب بر ساعت
- هد : 13.8 متر
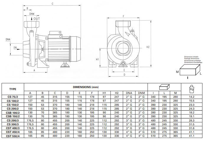
- سایز لوله ورودی و خروجی : 2 اینچ
- نوع برق مصرفی : سه فاز
- حداکثر دمای سیال : 0 تا 90 درجه سانتی گراد
- جنس بدنه : چدن
- جنس پروانه پمپ : چدن / برنج .
- جنس شفت : استنلس استیل
- کلاس عایق بندی الکترو موتور : Class F
- درجه حفاظت : IP44
- آمپر مصرفی : 3.9 آمپر
- حداکثر فشار : 6 Bar
قبل از هرگونه پرداخت وجه و سفارش تجهیزات از موجودی محصول و یا زمان ساخت و تحویل آن اطمینان حاصل نمایید.
- پرداخت حضوری: جهت حفظ آسودگی خاطر مشتریان، پرداخت حضوری قبل از تحویل کالا در محل شرکت بامین تهویه امکان پذیر می باشد.
- پرداخت غیر حضوری: با توجه فواصل مکانی و یا مشغله کاری برخی از مشتریان ، امکان پرداخت غیر حضوری مبلغ کالا به شماره حساب های ارائه شده ، میسر می باشد. این پرداخت پس از حصول اطمینان از موجودی کالا و زمان تحویل از طریق همراه بانک، اینترنت بانک، عابر بانک، و یا انتقال وجه توسط شعب بانک مقدور می باشد.
- پرداخت در محل: فروشگاه بامین تهویه این امکان را برای مشتریان ساکن تهران فراهم ساخته که اجناس با ارزش کمتر از ۵/۰۰۰/۰۰۰ ریال را بصورت پرداخت در محل پس از تحویل کالا، خریداری نمایند.
دیدگاهی یافت نشد!
