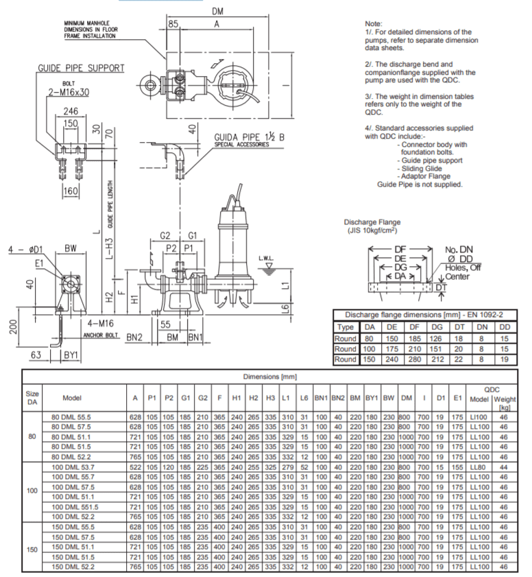
پمپ لجن کش چدنی ابارا مدل 150DML 5 15
Ebara Sewage Pump Model 150DML 5 15
- هد : 31.3 متر
- دبی : 300 متر مکعب بر ساعت
- توان پمپ : 15 کیلووات
- توان پمپ : 20 اسب بخار
- سایز دهانه خروجی : 150 میلیمتر
قیمت استعلام از واحد فروش
- هد : 31.3 متر
- نوع آب بندی : مکانیکال سیل دوبل
- دبی : 300 متر مکعب بر ساعت
- نوع سیال : فاضلاب و آب آلوده
- توان پمپ : 15 کیلووات
- حداکثر دمای سیال : 40 درجه سانتی گراد
- توان پمپ : 20 اسب بخار
- حداکثر قطر ذرات موجود در آب : 76 میلیمتر
- نوع پروانه : باز تک کانال
- سایز دهانه خروجی : 150 میلیمتر
- نوع یاتاقان : بلبرینگ با گریس دائمی
- سایز لوله رانش : 3-4-6 اینچ
- جنس بدنه : چدن
- جنس پروانه پمپ : چدن
- جنس پروانه پمپ : استنلس استیل ضد سایش (سفارشی) .
- جنس شفت : استنلس استیل 403
- سیل مکانیکی : سمت پروانه : Sic/Sic/NBR
- سیل مکانیکی : سمت موتور : Carbon/Ceramic/NBR
- لوازم جانبی : جعبه حاوی اتصالات، زانویی و فلنج و پیچ و مهره و واشر - تجهیزات نصب ثابت شامل : گاید و پایه و زنجیر مخصوص .
- دور موتور : 1450 دور در دقیقه
- حداکثر عمق غوطه وری : 8 متر
- کلاس عایق بندی الکترو موتور : Class F
- ضریب حفاظت محیطی الکتروموتور : IP68
- طول کابل : 10 متر
- کاربری : تصفیه خانه های آب و فاضلاب (شهري و صنعتی) ، انتقال سیالات حاوی ذرات معلق، ایستگاه های پمپاژ فاضلاب موتور کندانسوری
- نحوه خنک کاری : Cooling Jacket (سفارشی)
قبل از هرگونه پرداخت وجه و سفارش تجهیزات از موجودی محصول و یا زمان ساخت و تحویل آن اطمینان حاصل نمایید.
- پرداخت حضوری: جهت حفظ آسودگی خاطر مشتریان، پرداخت حضوری قبل از تحویل کالا در محل شرکت بامین تهویه امکان پذیر می باشد.
- پرداخت غیر حضوری: با توجه فواصل مکانی و یا مشغله کاری برخی از مشتریان ، امکان پرداخت غیر حضوری مبلغ کالا به شماره حساب های ارائه شده ، میسر می باشد. این پرداخت پس از حصول اطمینان از موجودی کالا و زمان تحویل از طریق همراه بانک، اینترنت بانک، عابر بانک، و یا انتقال وجه توسط شعب بانک مقدور می باشد.
- پرداخت در محل: فروشگاه بامین تهویه این امکان را برای مشتریان ساکن تهران فراهم ساخته که اجناس با ارزش کمتر از ۵/۰۰۰/۰۰۰ ریال را بصورت پرداخت در محل پس از تحویل کالا، خریداری نمایند.
دیدگاهی یافت نشد!
