آبگرمکن برقی مخزن دار استیبل الترون SB 302 S
Stiebel Eltron Electric Water Heater SB 302 S
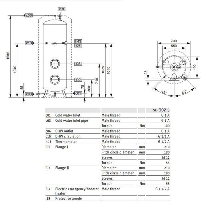
- ظرفیت مخزن : 300 لیتر, 400 لیتر
- رنگ : سفید
- قطر المنت فلنچ : 210 میلیمتر
- ابعاد : 700×1585×700 میلیمتر ، 750×1755×750 میلیمتر
قیمت استعلام از واحد فروش
آبگرمکن برقی مخزندار استیبل الترون مدل SB 302 S یکی از مدلهای باکیفیت و مقرون به صرفه در بازار است که برای تأمین آب گرم در فضاهای کوچک یا متوسط مناسب است. این مدل به دلیل ویژگیهای خاص خود، کاربری آسان و مصرف انرژی کم، توجه بسیاری از مصرفکنندگان را جلب کرده است. در ادامه به بررسی مشخصات و ویژگیهای کامل این محصول میپردازم:
1. ظرفیت و طراحی
- ظرفیت مخزن: این مدل دارای مخزن 300 و 400 لیتری است که آن را برای استفاده در خانوادههای کوچک یا فضاهایی با مصرف کم آب گرم مناسب میسازد. این ظرفیت میتواند برای سرویسهای بهداشتی، آشپزخانهها مناسب باشد.
- طراحی: این آبگرمکن دارای ابعاد مناسب برای نصب در هر محیطی است و به راحتی در فضاهای مختلف قابل استفاده میباشد.
2. عملکرد و قابلیتها
- گرمایش سریع: مدل SB 302 S به المنتهای باکیفیت و قدرت بالا مجهز است که توانایی گرم کردن سریع آب را دارند. این ویژگی باعث میشود که در کوتاهترین زمان ممکن آب گرم آماده استفاده شود.
- سیستم ایمنی: این مدل دارای سیستم ایمنی پیشرفتهای است که از خطرات احتمالی مانند داغ شدن بیش از حد آب جلوگیری میکند. ترموستات خودکار و سیستم حفاظت در برابر جوش آوردن آب از جمله ویژگیهای ایمنی این دستگاه هستند.
- پوشش ضد زنگ: مخزن داخلی آبگرمکن با پوشش ضد زنگ و مقاوم در برابر رسوبات طراحی شده است. این پوشش باعث میشود که دستگاه بهطور طولانیمدت کارایی خود را حفظ کند و به راحتی در برابر خوردگی مقاوم باشد.
3. مصرف انرژی
- مصرف انرژی پایین: آبگرمکن استیبل الترون SB 302 S با طراحی بهینه و استفاده از فناوریهای نوین، مصرف انرژی کمتری نسبت به مدلهای قدیمیتر دارد. این مدل برای افرادی که به دنبال کاهش هزینههای انرژی هستند، انتخاب مناسبی است.
- عایقبندی مناسب: دستگاه بهگونهای طراحی شده که گرمای تولید شده در مخزن بهطور مؤثر حفظ شود و نیاز به مصرف مجدد انرژی برای گرم نگه داشتن آب کاهش یابد. این ویژگی باعث میشود که در نهایت مصرف انرژی دستگاه پایینتر باشد.
4. نصب و نگهداری
- نصب آسان: نصب آبگرمکن SB 302 S بسیار ساده است و کاربران میتوانند آن را بهراحتی در فضای مورد نظر خود نصب کنند. این مدل میتواند بهصورت عمودی نصب شود و فرآیند نصب آن نیاز به تخصص پیچیدهای ندارد.
- نگهداری آسان: این آبگرمکن نیاز به نگهداری خاصی ندارد. تنها باید بهطور دورهای بررسی شود تا از عملکرد بهینه آن اطمینان حاصل شود. بهویژه در مناطقی که آب سخت دارند، تمیز کردن مخزن میتواند به حفظ کارایی دستگاه کمک کند.
5. ویژگیهای اضافی
- سیستم کنترل دما: این مدل به ترموستات قابل تنظیم مجهز است که به کاربران این امکان را میدهد تا دمای آب را بهطور دقیق تنظیم کنند. این ویژگی موجب بهینهسازی مصرف انرژی و راحتی بیشتر در استفاده از آبگرمکن میشود.
- مقاومت در برابر فشار و حرارت: این آبگرمکن قادر به تحمل فشار و دمای بالا است. بنابراین در شرایط مختلف و با تغییرات فشار آب، عملکرد مطلوبی خواهد داشت.
6. گارانتی و خدمات پس از فروش
- گارانتی: این مدل معمولاً با گارانتی معتبر از طرف شرکت سازنده همراه است که تضمینکننده کیفیت و عملکرد آن است.
- خدمات پس از فروش: استیبل الترون از خدمات پس از فروش و تأمین قطعات یدکی با کیفیت برخوردار است. این امر موجب اعتماد بیشتر مصرفکنندگان به این برند میشود.
نتیجهگیری:
آبگرمکن برقی مخزندار استیبل الترون مدل SB 302 S یکی از گزینههای عالی برای کسانی است که به دنبال آبگرمکنی با ظرفیت کوچک، مصرف انرژی پایین و عملکرد سریع هستند. این مدل با ویژگیهایی چون طراحی ساده و شیک، ایمنی بالا، و قیمت مناسب، انتخاب خوبی برای فضاهای کوچک، واحدهای مسکونی یا دفاتر است.
- ظرفیت مخزن : 300 لیتر, 400 لیتر
- وزن : 101 کیلوگرم ، 119 کیلوگرم
- رنگ : سفید
- نوع فیتینگ اتصال لوله : G 1 A
- قطر المنت فلنچ : 210 میلیمتر
- ویژگی ها : عایق بندی فوق العاده - مخزن استیل با پوشش خاص جهت مقاومت در برابر خوردنگیِ آب - امکان نصب المنت های گرمایشی 1تا 6 کیلو وات - دارای قابلیت گردش آب به منظور انتقال آبگرم (Circulation) .
- ابعاد : 700×1585×700 میلیمتر ، 750×1755×750 میلیمتر
قبل از هرگونه پرداخت وجه و سفارش تجهیزات از موجودی محصول و یا زمان ساخت و تحویل آن اطمینان حاصل نمایید.
- پرداخت حضوری: جهت حفظ آسودگی خاطر مشتریان، پرداخت حضوری قبل از تحویل کالا در محل شرکت بامین تهویه امکان پذیر می باشد.
- پرداخت غیر حضوری: با توجه فواصل مکانی و یا مشغله کاری برخی از مشتریان ، امکان پرداخت غیر حضوری مبلغ کالا به شماره حساب های ارائه شده ، میسر می باشد. این پرداخت پس از حصول اطمینان از موجودی کالا و زمان تحویل از طریق همراه بانک، اینترنت بانک، عابر بانک، و یا انتقال وجه توسط شعب بانک مقدور می باشد.
- پرداخت در محل: فروشگاه بامین تهویه این امکان را برای مشتریان ساکن تهران فراهم ساخته که اجناس با ارزش کمتر از ۵/۰۰۰/۰۰۰ ریال را بصورت پرداخت در محل پس از تحویل کالا، خریداری نمایند.



 
  
  
  
  
  
  
 