آبگرمکن برقی مخزن دار استیبل الترون SB 602 AC
Stiebel Eltron Electric Water Heater SB 602 AC
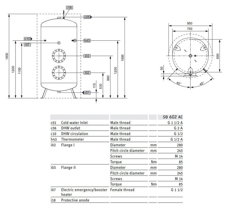
- ظرفیت مخزن : 600 لیتر
- رنگ : زغالی
- ابعاد : 800×1685×750 میلیمتر
- وزن : 154 کیلوگرم
قیمت استعلام از واحد فروش
آبگرمکن برقی مخزندار استیبل الترون مدل SB 602 AC یکی از مدلهای مناسب برای تأمین آب گرم در محیطهای مسکونی و تجاری است که به دلیل کیفیت بالا و عملکرد قابل اعتماد، محبوبیت زیادی دارد. در ادامه، به شرح کامل مشخصات و ویژگیهای این مدل میپردازم:
1. ظرفیت و طراحی
- ظرفیت مخزن: این مدل دارای مخزن 600 لیتری است که برای استفاده در هتل ها و استخر آب گرم بسیار مناسب است. این ظرفیت برای تامین آب گرم 70 سرویس حمام بصورت هم زمان بسیار مناسب می باشد.
- طراحی: طراحی این آبگرمکن بهگونهای است که به راحتی در هر محیطی قابل نصب است. ابعاد جمع و جور آن باعث میشود که در فضاهای محدود نصب شود. همچنین طراحی ظاهری دستگاه بسیار مدرن و شیک است و میتواند به دکوراسیون داخلی فضاهای مختلف افزوده شود.
2. عملکرد و قابلیتها
- گرمایش سریع: این مدل مجهز به المنتهای با کارایی بالا است که توانایی گرم کردن سریع آب را دارند. بهویژه برای افرادی که به دنبال دریافت آب گرم در کمترین زمان ممکن هستند، این ویژگی بسیار مفید است.
- سیستم ایمنی: سیستم ایمنی این دستگاه شامل ترموستات قابل تنظیم، حفاظت در برابر جوش آوردن آب، و سیستم قطع خودکار در صورت بروز مشکل است. این ویژگیها از خطرات احتمالی جلوگیری کرده و عمر مفید دستگاه را افزایش میدهند.
- پوشش ضد زنگ: مخزن داخلی آبگرمکن دارای پوشش ضد زنگ و مقاوم در برابر رسوبات است. این پوشش باعث میشود که دستگاه برای مدت طولانیتری عمر کند و نیاز به تعمیرات کمتری داشته باشد.
3. مصرف انرژی
- کم مصرف: این دستگاه با طراحی بهینه و استفاده از فناوریهای نوین، مصرف انرژی بسیار کمتری نسبت به مدلهای قدیمیتر دارد. با استفاده از عایقهای داخلی و سیستمهای پیشرفته، میزان اتلاف انرژی پایین است.
- عایقبندی مناسب: آبگرمکن SB 602 AC به گونهای طراحی شده است که توانایی حفظ دمای آب برای مدت زمان طولانی را دارد. این امر موجب کاهش نیاز به مصرف مجدد برق برای گرم کردن آب میشود و به صرفهجویی در مصرف انرژی کمک میکند.
4. نصب و نگهداری
- نصب ساده: نصب این آبگرمکن بسیار ساده است و میتوان آن را به صورت عمودی یا افقی نصب کرد. این ویژگی نصب دستگاه را در فضاهای مختلف ممکن میسازد.
- نگهداری آسان: این مدل به دلیل ساختار مقاوم و پوشش داخلی ضد زنگ، نیاز به نگهداری و سرویسدهی زیاد ندارد. البته توصیه میشود که دستگاه بهطور دورهای بررسی شود تا عملکرد بهینهاش حفظ شود.
5. ویژگیهای اضافی
- مقاومت بالا در برابر فشار و حرارت: این آبگرمکن برای تحمل فشارهای بالا و دماهای زیاد طراحی شده است. بنابراین، در مناطق با فشار آب بالا یا دماهای متغیر، عملکرد خوبی دارد.
- سیستم کنترل دما: به کاربران این امکان را میدهد که دمای آب را به راحتی تنظیم کنند و دمای مناسب برای استفاده در مصارف مختلف (دوش، شستشو و غیره) را فراهم آورند.
6. گارانتی و خدمات پس از فروش
- گارانتی: این محصول معمولاً با گارانتی معتبر از طرف شرکت سازنده ارائه میشود که پوششهای مختلفی را شامل میشود. این امر باعث میشود که کاربران با خیالی راحت از دستگاه استفاده کنند.
- خدمات پس از فروش: استیبل الترون با خدمات پس از فروش و تأمین قطعات یدکی با کیفیت، اعتماد بیشتری را در مصرفکنندگان ایجاد کرده است.
نتیجهگیری:
آبگرمکن برقی مخزندار استیبل الترون SB 602 AC یک گزینه عالی برای افرادی است که به دنبال دستگاهی با ظرفیت مناسب، مصرف انرژی پایین و عملکرد عالی هستند. طراحی شیک، سیستمهای ایمنی پیشرفته، و نگهداری آسان از ویژگیهایی هستند که این مدل را به یکی از انتخابهای محبوب تبدیل کرده است.
- ظرفیت مخزن : 600 لیتر
- نوع فیتینگ اتصال لوله : G 2 A / G 1 1/2 A
- رنگ : زغالی
- ویژگی ها : دارای 2 دریچه برای نصب فلنچ المنت - مخزن استیل با پوشش خاص جهت مقاومت در برابر خوردنگیِ آب - دارای سیستم حفاظت آنود - دارای قابلیت گردش آب به منظور انتقال آبگرم (Circulation) - تامین آب گرم 70 سرویس حمام بصورت همزمان - بهترین گزینه برای هتل ها و استخر ها .
- ابعاد : 800×1685×750 میلیمتر
- وزن : 154 کیلوگرم
قبل از هرگونه پرداخت وجه و سفارش تجهیزات از موجودی محصول و یا زمان ساخت و تحویل آن اطمینان حاصل نمایید.
- پرداخت حضوری: جهت حفظ آسودگی خاطر مشتریان، پرداخت حضوری قبل از تحویل کالا در محل شرکت بامین تهویه امکان پذیر می باشد.
- پرداخت غیر حضوری: با توجه فواصل مکانی و یا مشغله کاری برخی از مشتریان ، امکان پرداخت غیر حضوری مبلغ کالا به شماره حساب های ارائه شده ، میسر می باشد. این پرداخت پس از حصول اطمینان از موجودی کالا و زمان تحویل از طریق همراه بانک، اینترنت بانک، عابر بانک، و یا انتقال وجه توسط شعب بانک مقدور می باشد.
- پرداخت در محل: فروشگاه بامین تهویه این امکان را برای مشتریان ساکن تهران فراهم ساخته که اجناس با ارزش کمتر از ۵/۰۰۰/۰۰۰ ریال را بصورت پرداخت در محل پس از تحویل کالا، خریداری نمایند.



 
  
  
  
  
  
  
 