صافی سایز 150 تیپ Y چدنی 10 بار میراب
Mirab cast iron size 150 strainer Y type 10 bar
- نوع شیر : صافی
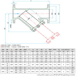
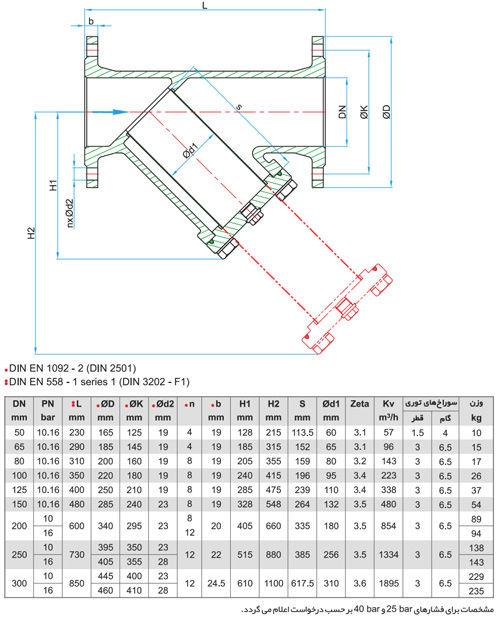
- قطر نامی : 150 میلی متر
قیمت استعلام از واحد فروش
- نوع شیر : صافی
- قطر نامی : 150 میلی متر
- فشار کاری : 10 bar
- جنس بدنه : چدن داکتيل
- جنس درپوش : چدن داکتیل
- جنس توری : استنلس استیل
- جنس واشر آببندی : N.B.R
- وزن : 54 کیلوگرم
- کاربری : جهت جمع آوری مواد معلق موجود در سیال در خطوط لوله در صنایع نیروگاهی، نفت، گاز، پتروشیمی، انتقال آب شهری، تاسیسات ساختمانی و بیمارستانی و شبکه آبرسانی کاربرد دارد. موتور کندانسوری
- نوع سیال : آب و آب دریا .
قبل از هرگونه پرداخت وجه و سفارش تجهیزات از موجودی محصول و یا زمان ساخت و تحویل آن اطمینان حاصل نمایید.
- پرداخت حضوری: جهت حفظ آسودگی خاطر مشتریان، پرداخت حضوری قبل از تحویل کالا در محل شرکت بامین تهویه امکان پذیر می باشد.
- پرداخت غیر حضوری: با توجه فواصل مکانی و یا مشغله کاری برخی از مشتریان ، امکان پرداخت غیر حضوری مبلغ کالا به شماره حساب های ارائه شده ، میسر می باشد. این پرداخت پس از حصول اطمینان از موجودی کالا و زمان تحویل از طریق همراه بانک، اینترنت بانک، عابر بانک، و یا انتقال وجه توسط شعب بانک مقدور می باشد.
- پرداخت در محل: فروشگاه بامین تهویه این امکان را برای مشتریان ساکن تهران فراهم ساخته که اجناس با ارزش کمتر از ۵/۰۰۰/۰۰۰ ریال را بصورت پرداخت در محل پس از تحویل کالا، خریداری نمایند.
دیدگاهی یافت نشد!
