مشعل گازی پارس مشعل PM3-PGT-311
Pars Mashal Gas PM3-PGT-311
- نوع سوخت : گاز
- حالت عمکلرد مشعل : دو مرحله ای
- ظرفیت حرارتی : 94600-399000 کیلوکالری برساعت
- توان موتور : 450 وات
مشعل گازی PM3 PGT 311 پارس مشعل با ظرفیت حدود 399.000 کیلوکالری در ساعت مناسب برای استفاده در سیستم های حرارتی، آبگرم
مصرفی برای ساختمان های مسکونی، اداری و تجاری و برج ها با متراژ کمتر از 2300 متر با قابلیت نصب بر روی دیگ های چدنی و فولادی جهت
تولید آبگرم وبخار در موتور خانه هاو تامین گرمایش در کوره های هوای گرم و بویلرهای بخار و ... نیز استفاده میشود.
مشعل گازسوز پارس مشعل مدل PM3 PGT 311 از نوع مشعل های با عملکرد دو مرحله ای میباشد، بطوریکه در آن دریچه هوا و دریچه گاز با
توجه به مقدار ظرفیت مورد نیاز باز شده و شعله تشکیل میشود.
درمشعل های دو مرحله ای معمولا برای کنترل ظرفیت از ترموستات های دو مرحله ای و یا دو عدد ترموستات با دو عدد پرشر سوییچ استفاده
میشود. پس از شروع به کار مشعل در مرحله اول اگر نیاز سیستم تامین نشود مرحله دوم با توجه به نیاز به حرارت بالاتر، از ترموستات یا
پرشرسوییچ تعبیه شده در سیستم دستور گرفته و با قدرت بیشتری در مرحله دوم عمل میکند.
ظرفیت حرارتی مشعل PM3 PGT 311
ظرفیت حرارتی پارس مشعل مدل PM3 PGT 311 حداقل 94.600 کیلوکالری بر ساعت و حداکثر آن 399.000 کیلوکالری بر ساعت میباشد.
برق مصرفی
برق مصرفی پارس مشعل مدل PM3 PGT 311 معادل 220 ولت و تکفاز با فرکانس 50 هرتز است و از موتور 450 وات بهره میبرد.
فشار ورودی گاز
فشار ورودی گاز این مشعل معادل 18.5 m.bar است. فشار گاز مناسب برای عملکرد مشعل یک چهارم پوند است و با یک خط لوله گاز خانگی یک و
یک دوم اینچ قابل راه اندازی است.

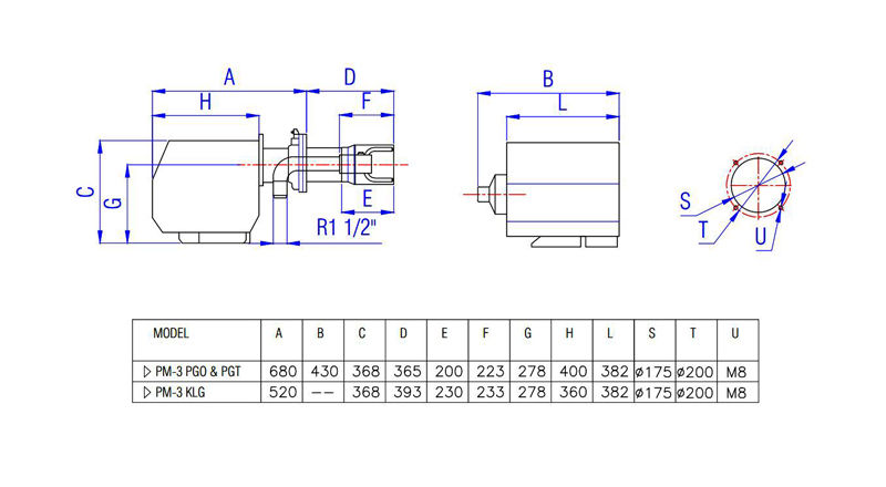
ابعاد مشعل پارس مشعل مدل PM3 PGT 311
طول: 1045 میلیمتر
عرض: 430 میلیمتر
سایز لوله گاز ورودی : ½-1 اینچ
قطر دهانه مشعل گیر: 175 میلیمتر

خصوصیات پارس مشعل مدل PM3 PGT 311
آلایندگی کم وسازگاری با محیط زیست
ساختار مونوبلاک
وزن کم
ابعاد مناسب
جابجایی و نصب آسان
قابل تنظیم مشعل جهت احتراق کامل و مناسب جهت کاهش مصرف سوخت و بازدهی بالا
- نوع سوخت : گاز
- نوع برق مصرفی : تک فاز
- حالت عمکلرد مشعل : دو مرحله ای
- قطر دهانه مشعل گیر : 175 میلیمتر
- ظرفیت حرارتی : 94600-399000 کیلوکالری برساعت
- سایز لوله گاز ورودی : 1/2 1 اینچ
- توان موتور : 450 وات
- فشار گاز ورودی مورد نیاز : 18.5 mbar
قبل از هرگونه پرداخت وجه و سفارش تجهیزات از موجودی محصول و یا زمان ساخت و تحویل آن اطمینان حاصل نمایید.
- پرداخت حضوری: جهت حفظ آسودگی خاطر مشتریان، پرداخت حضوری قبل از تحویل کالا در محل شرکت بامین تهویه امکان پذیر می باشد.
- پرداخت غیر حضوری: با توجه فواصل مکانی و یا مشغله کاری برخی از مشتریان ، امکان پرداخت غیر حضوری مبلغ کالا به شماره حساب های ارائه شده ، میسر می باشد. این پرداخت پس از حصول اطمینان از موجودی کالا و زمان تحویل از طریق همراه بانک، اینترنت بانک، عابر بانک، و یا انتقال وجه توسط شعب بانک مقدور می باشد.
- پرداخت در محل: فروشگاه بامین تهویه این امکان را برای مشتریان ساکن تهران فراهم ساخته که اجناس با ارزش کمتر از ۵/۰۰۰/۰۰۰ ریال را بصورت پرداخت در محل پس از تحویل کالا، خریداری نمایند.



 
  
 