مشعل گازی پارس مشعل PM5-PGT-113
Pars Mashal Gas PM5-PGT-113
- نوع سوخت : گاز
- حالت عمکلرد مشعل : دو مرحله ای
- ظرفیت حرارتی : 249000-989000 کیلوکالری برساعت
- توان موتور : 1.1 کیلووات
مشعل گازی PM5 PGT113 پارس مشعل با ظرفیت حدود 989.000 کیلوکالری در ساعت مناسب برای استفاده در سیستم های حرارتی، آبگرم
مصرفی برای ساختمان های با متراژ بالا مانند برج ها و کارخانه ها و مراکز صنعتی با متراژ کمتر از 5800 متر با قابلیت نصب بر روی دیگ های
چدنی و فولادی جهت تولید آبگرم وبخار در موتور خانه ها و تامین گرمایش در کوره های هوای گرم وبویلرهای بخار و... استفاده میشود.
مشعل گازسوز پارس مشعل مدل PM5PGT113 از نوع مشعل های با عملکرد دو مرحله ای میباشد، بطوریکه در آن دریچه هوا و دریچه گاز با
توجه به مقدار ظرفیت مورد نیاز باز شده و شعله تشکیل میشود.
درمشعل های دو مرحله ای معمولا برای کنترل ظرفیت از ترموستات های دو مرحله ای و یا دو عدد ترموستات با دو عدد پرشر سوییچ استفاده
میشود. پس از شروع به کار مشعل در مرحله اول اگر نیاز سیستم تامین نشود مرحله دوم با توجه به نیاز به حرارت بالاتر، از ترموستات یا
پرشرسوییچ تعبیه شده در سیستم دستور گرفته و با قدرت بیشتری در مرحله دوم عمل کرده و همچنین علاوه بر دمپر هوای اصلی از یک دمپر
داخلی نیز استفاده میشود.
این سیستم که با یک سروموتور جداگانه کنترل میشود مانند یک اوریفیس متحرک عمل کرده و در مرحله اول یا شعله کوتاه در نزدیکی شعله
پخشکن و در مرحله دوم در قسمت انتهای شعلهپوش قرار میگیرد.
لازم به توضیح است این مدل از مشعل قابلیت تولید بصورت سفارشی، جهت عملکرد تدریجی را نیز دارا میباشد.
ظرفیت حرارتی مشعل PM5 PGT 113
ظرفیت حرارتی پارس مشعل مدل PM5 PGT 113 حداقل 249.000 کیلوکالری بر ساعت و حداکثر آن 989.000 کیلوکالری بر ساعت میباشد.
برق مصرفی
برق مصرفی پارس مشعل مدل PM5 PGT 113 معادل 380 ولت و سه فاز با فرکانس 50 هرتز است و از موتور 1.1 کیلووات بهره میبرد.
فشار ورودی گاز
فشار ورودی گاز این مشعل معادل 138 m.bar است. فشار گاز مناسب برای عملکرد مشعل یک چهارم پوند است و با یک خط لوله گاز خانگی یک و
یک دوم اینچ قابل راه اندازی است.

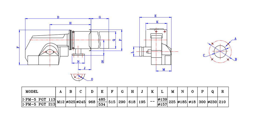
ابعاد مشعل پارس مشعل مدل PM5 PGT 113
این مشعل دارای طول 1258 میلیمتر، عرض 485 و سایز لوله گاز ورودی برابر ½-1 اینچ و قطر دهانه مشعل گیر 245 میلیمتر میباشد.
خصوصیات پارس مشعل مدل PM5 PGT 113
آلایندگی کم وسازگاری با محیط زیست
ساختار مونوبلاک
وزن کم
ابعاد مناسب
جابجایی و نصب آسان
قابل تنظیم مشعل جهت احتراق کامل و مناسب جهت کاهش مصرف سوخت و بازدهی بالا
بهره گیری از محصولات بهترین برندهای تجهیزات کنترلی؛ شرکتهای Siemens و Honeywell
بهره گیری از تجهیزات سیستم سوخترسانی گاز محصول کشورهای آلمان و ایتالیا
دسترسی و سرویس آسان به تمامی قطعات واحد احتراق بدون نیاز به باز نمودن مشعل از دیگ
- نوع سوخت : گاز
- نوع برق مصرفی : سه فاز
- حالت عمکلرد مشعل : دو مرحله ای
- قطر دهانه مشعل گیر : 245 میلیمتر
- ظرفیت حرارتی : 249000-989000 کیلوکالری برساعت
- سایز لوله گاز ورودی : 1/2 1 اینچ
- توان موتور : 1.1 کیلووات
- فشار گاز ورودی مورد نیاز : 138 mbar
قبل از هرگونه پرداخت وجه و سفارش تجهیزات از موجودی محصول و یا زمان ساخت و تحویل آن اطمینان حاصل نمایید.
- پرداخت حضوری: جهت حفظ آسودگی خاطر مشتریان، پرداخت حضوری قبل از تحویل کالا در محل شرکت بامین تهویه امکان پذیر می باشد.
- پرداخت غیر حضوری: با توجه فواصل مکانی و یا مشغله کاری برخی از مشتریان ، امکان پرداخت غیر حضوری مبلغ کالا به شماره حساب های ارائه شده ، میسر می باشد. این پرداخت پس از حصول اطمینان از موجودی کالا و زمان تحویل از طریق همراه بانک، اینترنت بانک، عابر بانک، و یا انتقال وجه توسط شعب بانک مقدور می باشد.
- پرداخت در محل: فروشگاه بامین تهویه این امکان را برای مشتریان ساکن تهران فراهم ساخته که اجناس با ارزش کمتر از ۵/۰۰۰/۰۰۰ ریال را بصورت پرداخت در محل پس از تحویل کالا، خریداری نمایند.
دیدگاهی یافت نشد!

