مشعل گازی پارس مشعل PM6-PGT-313
Pars Mashal Gas PM6-PGT-313
- نوع سوخت : گاز
- حالت عمکلرد مشعل : دو مرحله ای
- ظرفیت حرارتی : 774000-1548000 کیلوکالری برساعت
- توان موتور : 4 کیلووات
مشعل گازی PM6PGT313 پارس مشعل با ظرفیت حدود 1.548.000 کیلوکالری در ساعت مناسب برای استفاده در سیستم های حرارتی، آبگرم
مصرفی برای ساختمان های مسکونی با متراژ بالا مانند برج و مراکز اداری و تجاری با متراژ کمتر از 9100 متر ، مکان های صنعتی و صنایع سنگین با
قابلیت نصب بر روی دیگ های چدنی و فولادی جهت تولید آبگرم وبخار در موتور خانه ها و تامین گرمایش در کوره های هوای گرم وبویلرهای بخار و
...استفاده میشود.
مشعل گازسوز پارس مشعل مدل PM6 PGT 313 از نوع مشعل های با عملکرد دو مرحله ای میباشد، بطوریکه در آن دریچه هوا و دریچه گاز با
توجه به مقدار ظرفیت مورد نیاز باز شده و شعله تشکیل میشود.
درمشعل های دو مرحله ای معمولا برای کنترل ظرفیت از ترموستات های دو مرحله ای و یا دو عدد ترموستات با دو عدد پرشر سوییچ استفاده
میشود. پس از شروع به کار مشعل در مرحله اول اگر نیاز سیستم تامین نشود مرحله دوم با توجه به نیاز به حرارت بالاتر، از ترموستات یا
پرشرسوییچ تعبیه شده در سیستم دستور گرفته و با قدرت بیشتری در مرحله دوم عمل میکند.
لازم به توضیح است در این مشعل، دبی هوای مورد نیاز احتراق بوسیله یک سروموتور با دقت بالا کنترل میشودو همچنین قابلیت تولید بصورت
سفارشی، جهت عملکرد تدریجی را نیز دارا میباشد.
ظرفیت حرارتی مشعل PM6 PGT 313
ظرفیت حرارتی پارس مشعل مدل PM6 PGT 313 حداقل 774.000 کیلوکالری بر ساعت و حداکثر آن 1.548.000 کیلوکالری بر ساعت میباشد.
برق مصرفی
برق مصرفی پارس مشعل مدل PM6 PGT 313 معادل 380 ولت و سه فاز با فرکانس 50 هرتز است و از موتور 4 کیلووات بهره میبرد.
فشار ورودی گاز
فشار ورودی گاز این مشعل معادل 138 m.bar است. فشار گاز مناسب برای عملکرد مشعل یک چهارم پوند است و با یک خط لوله گاز خانگی دو
اینچ قابل راه اندازی است.

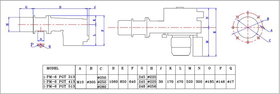
ابعاد مشعل پارس مشعل مدل PM6 PGT 313
این مشعل دارای طول 1335 میلیمتر، عرض 850 و سایز لوله گاز ورودی برابر 2 اینچ و قطر دهانه مشعل گیر 265 میلیمتر میباشد.

خصوصیات پارس مشعل مدل PM6 PGT 313
آلایندگی کم وسازگاری با محیط زیست
ساختار مونوبلاک
وزن مناسب
ابعاد مناسب
جابجایی و نصب آسان
قابل تنظیم مشعل جهت احتراق کامل و مناسب جهت کاهش مصرف سوخت و بازدهی بالا
بهره گیری از محصولات بهترین برندهای تجهیزات کنترلی؛ شرکتهای Siemens و Honeywell
بهره گیری از تجهیزات سیستم سوخترسانی گاز محصول کشورهای آلمان و ایتالیا
دسترسی و سرویس آسان به تمامی قطعات واحد احتراق بدون نیاز به باز نمودن مشعل از دیگ
اختلاط کامل سوخت و هوا، و احتراق کامل بواسطه طراحی دقیق شعلهپخشکن
- نوع سوخت : گاز
- نوع برق مصرفی : سه فاز
- حالت عمکلرد مشعل : دو مرحله ای
- قطر دهانه مشعل گیر : 265 میلیمتر
- ظرفیت حرارتی : 774000-1548000 کیلوکالری برساعت
- سایز لوله گاز ورودی : 2 اینچ
- توان موتور : 4 کیلووات
- فشار گاز ورودی مورد نیاز : 138 mbar
قبل از هرگونه پرداخت وجه و سفارش تجهیزات از موجودی محصول و یا زمان ساخت و تحویل آن اطمینان حاصل نمایید.
- پرداخت حضوری: جهت حفظ آسودگی خاطر مشتریان، پرداخت حضوری قبل از تحویل کالا در محل شرکت بامین تهویه امکان پذیر می باشد.
- پرداخت غیر حضوری: با توجه فواصل مکانی و یا مشغله کاری برخی از مشتریان ، امکان پرداخت غیر حضوری مبلغ کالا به شماره حساب های ارائه شده ، میسر می باشد. این پرداخت پس از حصول اطمینان از موجودی کالا و زمان تحویل از طریق همراه بانک، اینترنت بانک، عابر بانک، و یا انتقال وجه توسط شعب بانک مقدور می باشد.
- پرداخت در محل: فروشگاه بامین تهویه این امکان را برای مشتریان ساکن تهران فراهم ساخته که اجناس با ارزش کمتر از ۵/۰۰۰/۰۰۰ ریال را بصورت پرداخت در محل پس از تحویل کالا، خریداری نمایند.
دیدگاهی یافت نشد!
