مشعل گازی پارس مشعل PM8-PGM-513
Pars Mashal Gas PM8-PGM-513
- نوع سوخت : گاز
- حالت عمکلرد مشعل : تدریجی
- ظرفیت حرارتی : 8170000 کیلوکالری برساعت
- توان موتور : 37 کیلووات
مشعل گازی PM8 PGM 513 پارس مشعل با ظرفیت حدود 8.170.000 کیلوکالری در ساعت مناسب برای استفاده در سیستم های حرارتی، آبگرم
مصرفی برای مکان های صنعتی و صنایع سنگین مانند نیروگاهها، واحدهای پتروشیمی، پالایشگاهها، صنایع سیمان، کارخانجات فراوردههای لبنی با
قابلیت نصب بر روی دیگ های چدنی و فولادی جهت تولید آبگرم وبخار در موتور خانه ها و تامین گرمایش در کوره های صنعتی وهوای گرم
وبویلرهای بخار و ... استفاده میشود.
مشعل گازسوز پارس مشعل مدل PM8 PGM 513 از نوع مشعل های با عملکرد تدریجی میباشد، بطوریکه در آن با استفاده از شیر برقی تدریجی
به آرامی مسیر گاز باز خواهد شد و با حرکت محور شیر وباز شدن بیشتر شیر و مسیر گاز، شعله نیز بصورت تدریجی افزایش میبابد.
لازم به توضیح است که قطع شدن شعله بصورت تدریجی نبوده ولحظه ای صورت میپذیردو بواسطه ی وجود مکانیزم داخلی قابلیت تنظیم قطر
و طول شعله متناسب با ابعاد محفظه احتراق وجوددارد این قابلیت سبب انتقال بیشتر و بهتر حرارت خواهد شد و دبی هوای مورد نیاز احتراق
بوسیله یک سروموتور با دقت بالا کنترل میشود.
ظرفیت حرارتی مشعل PM8 PGM 513
ظرفیت حرارتی پارس مشعل مدل PM8 PGM 513 معادل 8.170.000 کیلوکالری بر ساعت میباشد.
برق مصرفی
برق مصرفی پارس مشعل مدل PM8 PGM 513 معادل 380 ولت و سه فاز با فرکانس 50 هرتز است و از موتور 37 کیلووات بهره میبرد.
فشار ورودی گاز
حداقل فشار ورودی گاز این مشعل معادل 2 bar است.

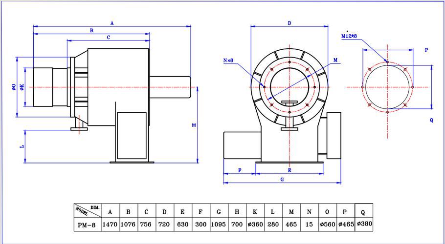
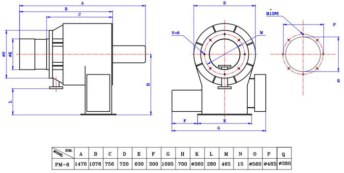
ابعاد مشعل پارس مشعل مدل PM8 PGM 513
طول: 1470 میلیمتر
عرض: 1095 میلیمتر
قطر دهانه مشعل گیر: 380 میلیمتر

خصوصیات پارس مشعل مدل PM8 PGM 513
استفاده ازتجهیزات کنترلی ازبهترین برندها مانند شرکتهای Siemens و Honeywell
طراحی واحد هوادهی فن، از یکی از معتبرترین برندهای تولیدکننده فن اروپائی و پوسته شرکت Punker
بهره گیری از پمپهای جابجایی مثبت فشاربالای شرکت hp-TECHNIK، یکی از معتبرترین برندهای تولیدکننده پمپ اروپائی
قابلیت تنظیم شکل شعله با توجه به هندسه و ابعاد محفظه احتراق
استفاده ازسروموتور با سه سیگنال ورودی کنترل توان حرارتی ( 10-0 ولت، 135-0 اهم، 20-4 میلی آمپر )
کاهش مصرف سوخت بواسطه عملکرد تدریجی دقیق با سوختهای گازی و مایع
قابلیت تنظیم دقیق فرایند احتراق به منظوردستیابی به راندمان بالا و کاهش مصرف سوخت
آلایندگی بسیار کم و سازگاری با محیط زیست
قابلیت بهرهگیری از سیستم کنترل هوشمند احتراق
- نوع سوخت : گاز
- نوع برق مصرفی : سه فاز
- حالت عمکلرد مشعل : تدریجی
- فشار گاز ورودی مورد نیاز : 2 mbar
- ظرفیت حرارتی : 8170000 کیلوکالری برساعت
- توان موتور : 37 کیلووات
قبل از هرگونه پرداخت وجه و سفارش تجهیزات از موجودی محصول و یا زمان ساخت و تحویل آن اطمینان حاصل نمایید.
- پرداخت حضوری: جهت حفظ آسودگی خاطر مشتریان، پرداخت حضوری قبل از تحویل کالا در محل شرکت بامین تهویه امکان پذیر می باشد.
- پرداخت غیر حضوری: با توجه فواصل مکانی و یا مشغله کاری برخی از مشتریان ، امکان پرداخت غیر حضوری مبلغ کالا به شماره حساب های ارائه شده ، میسر می باشد. این پرداخت پس از حصول اطمینان از موجودی کالا و زمان تحویل از طریق همراه بانک، اینترنت بانک، عابر بانک، و یا انتقال وجه توسط شعب بانک مقدور می باشد.
- پرداخت در محل: فروشگاه بامین تهویه این امکان را برای مشتریان ساکن تهران فراهم ساخته که اجناس با ارزش کمتر از ۵/۰۰۰/۰۰۰ ریال را بصورت پرداخت در محل پس از تحویل کالا، خریداری نمایند.
دیدگاهی یافت نشد!
