مشعل گازی پارس مشعل PMN-1PGO-111
Pars Mashal Gas PMN-1PGO-111
- نوع سوخت : گاز
- حالت عمکلرد مشعل : یک مرحله ای
- ظرفیت حرارتی : 10300-33900 کیلوکالری برساعت
- توان موتور : 90 وات
مشعل گازی PMN1PGO111 پارس مشعل با ظرفیت حدود 33.900 کیلوکالری در ساعت مناسب برای استفاده در سیستم های حرارتی، آبگرم
مصرفی برای ساختمان های مسکونی و اداری با متراژ کمتر از 200 متر با قابلیت نصب بر روی دیگ های چدنی و فولادی جهت تولید آبگرم وبخار در
موتور خانه های کوچک و ... جهت تامین گرمایش استفاده میشود.
مشعل گازسوز پارس مشعل مدل PMN1PGO111 عملکرد تک مرحله ای داشته و کارکرد ساده ای دارد.
گاز طبیعی با عبوراز فیلتر و رسیدن به سر نازل، با هوا ترکیب شده و ایجاد جرقه توسط ترانس جرقه باعث بوجود آمدن شعله میشود. در ضمن این
مشعل قابلیت تولید بصورت سفارشی جهت عملکرد تدریجی را دارا میباشد.
ظرفیت حرارتی مشعل PMN1PGO111
ظرفیت حرارتی پارس مشعل مدل PMN1PGO111 حداقل 10.300 کیلوکالری بر ساعت و حداکثر آن 33.900 کیلوکالری بر ساعت میباشد.
برق مصرفی
برق مصرفی پارس مشعل مدل PMN1 PGO111 معادل 220 ولت و تکفاز با فرکانس 50 هرتز است و از موتور 90 وات بهره میبرد.
فشار ورودی گاز
فشار ورودی گاز این مشعل معادل 18.5 m.bar و ارزش حرارتی گاز 9500 کیلوکالری بر نیوتن متر مکعب است.
فشار گاز مناسب برای عملکرد مشعل یک چهارم پوند است و با یک خط لوله گاز خانگی یک دوم اینچ قابل راه اندازی است.
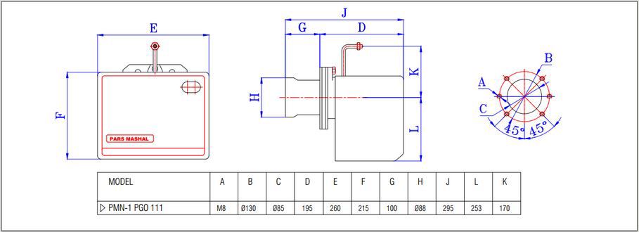
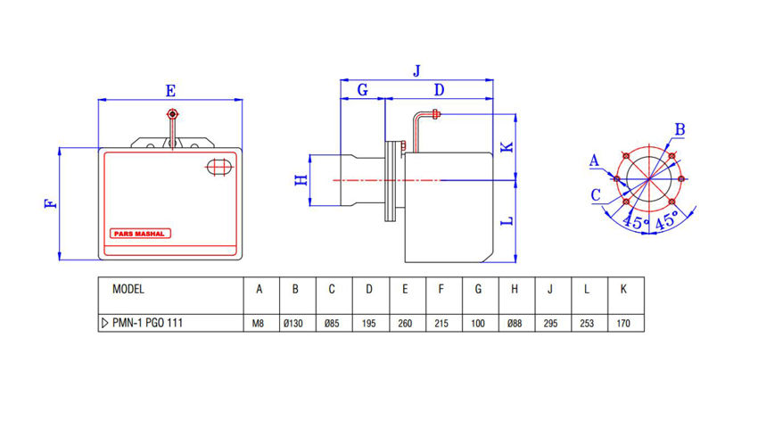
ابعاد مشعل پارس مشعل مدل PMN1PGO111
این مشعل دارای طول 295 میلیمتر، عرض 260، ارتفاع 215 میلیمتر و سایز لوله گاز ورودی برابر ½ اینچ و قطر دهانه مشعل گیر 85 میلیمتر
میباشد.

خصوصیات پارس مشعل مدل PMN1PGO111
صدای کم
سازگاری با محیط زیست
ساختار مونوبلاک
وزن کم
ابعاد مناسب
جابجایی و نصب آسان
- نوع سوخت : گاز
- نوع برق مصرفی : تک فاز
- حالت عمکلرد مشعل : یک مرحله ای
- قطر دهانه مشعل گیر : 85 میلیمتر
- ظرفیت حرارتی : 10300-33900 کیلوکالری برساعت
- سایز لوله گاز ورودی : 1/2 اینچ
- توان موتور : 90 وات
- فشار گاز ورودی مورد نیاز : 18.5 mbar
قبل از هرگونه پرداخت وجه و سفارش تجهیزات از موجودی محصول و یا زمان ساخت و تحویل آن اطمینان حاصل نمایید.
- پرداخت حضوری: جهت حفظ آسودگی خاطر مشتریان، پرداخت حضوری قبل از تحویل کالا در محل شرکت بامین تهویه امکان پذیر می باشد.
- پرداخت غیر حضوری: با توجه فواصل مکانی و یا مشغله کاری برخی از مشتریان ، امکان پرداخت غیر حضوری مبلغ کالا به شماره حساب های ارائه شده ، میسر می باشد. این پرداخت پس از حصول اطمینان از موجودی کالا و زمان تحویل از طریق همراه بانک، اینترنت بانک، عابر بانک، و یا انتقال وجه توسط شعب بانک مقدور می باشد.
- پرداخت در محل: فروشگاه بامین تهویه این امکان را برای مشتریان ساکن تهران فراهم ساخته که اجناس با ارزش کمتر از ۵/۰۰۰/۰۰۰ ریال را بصورت پرداخت در محل پس از تحویل کالا، خریداری نمایند.
دیدگاهی یافت نشد!

