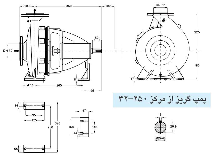
پمپ آب پمپیران مدل 250-32 با موتور 11 کیلووات
PUMPIRAN Water pump motor 11 KW
- دور موتور : 2900 دور در دقیقه
- توان موتور : 15 اسب بخار
- هد : 73 متر
- دبی : 20 متر مکعب بر ساعت
قیمت استعلام از واحد فروش
- دور موتور : 2900 دور در دقیقه
- جریان : 22 آمپر
- توان موتور : 15 اسب بخار
- قطر مکش : 50 میلیمتر
- هد : 73 متر
- قطر دهش : 32 میلیمتر
- دبی : 20 متر مکعب بر ساعت
- نوع اتصال : کوپلینگ
- حداکثر دمای کاری : با نوار گرافیت : از 50- تا 110 درجه سانتیگراد , با سیل مکانیکی : از 50- تا 140 درجه سانتیگراد
- جنس شفت : فولاد
- جنس پروانه پمپ : چدن
- جنس بدنه : چدن
قبل از هرگونه پرداخت وجه و سفارش تجهیزات از موجودی محصول و یا زمان ساخت و تحویل آن اطمینان حاصل نمایید.
- پرداخت حضوری: جهت حفظ آسودگی خاطر مشتریان، پرداخت حضوری قبل از تحویل کالا در محل شرکت بامین تهویه امکان پذیر می باشد.
- پرداخت غیر حضوری: با توجه فواصل مکانی و یا مشغله کاری برخی از مشتریان ، امکان پرداخت غیر حضوری مبلغ کالا به شماره حساب های ارائه شده ، میسر می باشد. این پرداخت پس از حصول اطمینان از موجودی کالا و زمان تحویل از طریق همراه بانک، اینترنت بانک، عابر بانک، و یا انتقال وجه توسط شعب بانک مقدور می باشد.
- پرداخت در محل: فروشگاه بامین تهویه این امکان را برای مشتریان ساکن تهران فراهم ساخته که اجناس با ارزش کمتر از ۵/۰۰۰/۰۰۰ ریال را بصورت پرداخت در محل پس از تحویل کالا، خریداری نمایند.
دیدگاهی یافت نشد!
