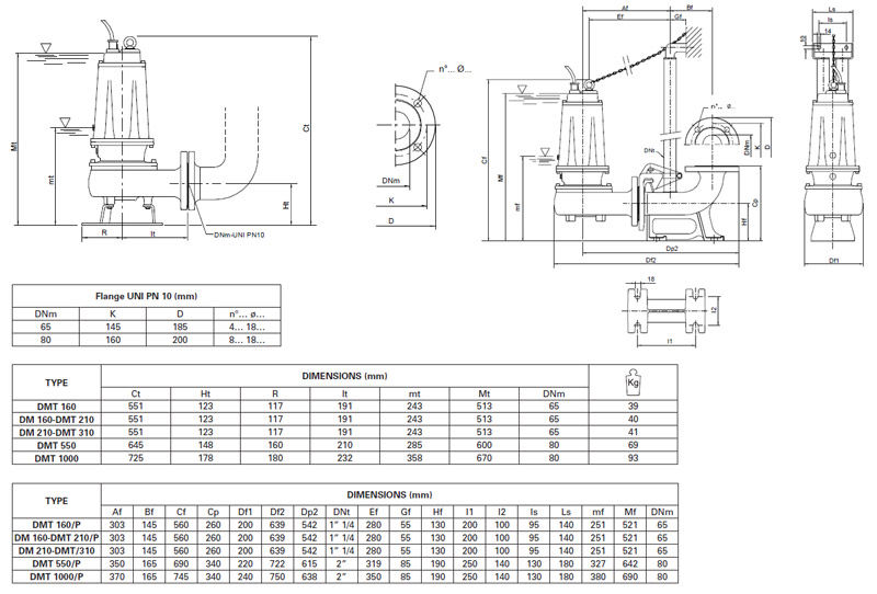
پمپ لجن کش پنتاکس مدل DMT 310
Pentax Sewage Pump DMT310
- نوع برق مصرفی : سه فاز
- هد : 23 متر
- دبی : 60 متر مکعب بر ساعت
- توان پمپ : 3 اسب بخار
- سایز لوله خروجی : DN 65 میلیمتر
قیمت استعلام از واحد فروش
- نوع برق مصرفی : سه فاز
- دور موتور : 2900 دور در دقیقه
- هد : 23 متر
- جنس بدنه : چدن
- دبی : 60 متر مکعب بر ساعت
- جنس پروانه پمپ : چدن
- توان پمپ : 3 اسب بخار
- جنس شفت : استنلس استیل 304 (AISI304)
- سایز لوله خروجی : DN 65 میلیمتر
- دمای سیال : 0 تا 40 درجه سانتیگراد
- ضریب حفاظت محیطی الکتروموتور : IP68
- کلاس عایق بندی الکترو موتور : Class F
- کاربرد : پمپاژ آب صاف و گل آلود - آبیاری زمین های زراعی و باغ ها - انتقال و تخلیه فاضلاب های صنعتی و خانگی - خالی کردن چاه فاضلاب مسکونی .
قبل از هرگونه پرداخت وجه و سفارش تجهیزات از موجودی محصول و یا زمان ساخت و تحویل آن اطمینان حاصل نمایید.
- پرداخت حضوری: جهت حفظ آسودگی خاطر مشتریان، پرداخت حضوری قبل از تحویل کالا در محل شرکت بامین تهویه امکان پذیر می باشد.
- پرداخت غیر حضوری: با توجه فواصل مکانی و یا مشغله کاری برخی از مشتریان ، امکان پرداخت غیر حضوری مبلغ کالا به شماره حساب های ارائه شده ، میسر می باشد. این پرداخت پس از حصول اطمینان از موجودی کالا و زمان تحویل از طریق همراه بانک، اینترنت بانک، عابر بانک، و یا انتقال وجه توسط شعب بانک مقدور می باشد.
- پرداخت در محل: فروشگاه بامین تهویه این امکان را برای مشتریان ساکن تهران فراهم ساخته که اجناس با ارزش کمتر از ۵/۰۰۰/۰۰۰ ریال را بصورت پرداخت در محل پس از تحویل کالا، خریداری نمایند.
دیدگاهی یافت نشد!
